LabVIEW

cancel
Showing results for 
Search instead for 
Did you mean: 

Mass flow controller with Labview


@mechatroniclover wrote:

thanks for the answers specially for Blokk's explanations.
my goal is to maintain 1000 sccm flow rate. What is the mentioned sccm on the MFCs? Is it the final range?
So should I buy a 2000 sccm MFC and control it for example using a 2.5 volt, or a 1000 sccm MFC control it using 5 volt?

Both would work obviously.

What will be the correct connections and piping? should I use 2 valves beside the MFC like this?

No, you do not need those valves to operate a MFC.
an other important question: To what pressure should the N2 gas be reduced using a pressure regulator befor the MFC?

This is what the manual is going to tell you. It is always specified as a range: the minimum and maximum backpressure. I cannot remember the usual minimum backpressure (also depends on the downstream pressure, naturally if you have for example 1 bar at downstream, you cannot get a flow with 0.5 bar upstream, basic physics). Usually the maximum allowed pressure at the inlet of the MFC is around 10-15 bars as I remember. But this is not going to be a problem, you set like 1.5 bar absolute pressure at the pressure reducer, and it is going to work (unless you have higher pressure at the experiment side naturally.)

 

s-l500.jpg


 

Message 51 of 76
(3,565 Views)

Thank you for the excellent information
I will inform you whenever I buy a new MFC.

0 Kudos
Message 52 of 76
(3,468 Views)

Blokk got it.  

The fine pts are that you have P series MFC .  Obsolete, but i still use them.   http://www.mksinst.com/product/Product.aspx?ProductID=60

 

Runs from a single supply . From picture, its a 15 pin d connector.  You will need to connect pins 2(flow out 0-5v), 5(pwr gnd) , 7(+pwr), 8(setpt in 0-5v) and 12(sig gnd).      note- you can use a +supply whose output any voltage between 15 and 24vdc with at least 300mA


If you are using a daq with single inputs, short pins 5 and 12 of the 15 pin d - this will be your ground for both pwr, flow out and stpt input.

 

Range is on the serial tag and should also scrolls across the display on top along with the gas it has been set for.   The gas can be changed
via the ethernet port on side(build in browser and if you have java loaded, you get graphics as well) or you can apply a gas correction factor to the flow out if the gas you are using is different from what is shown in the display.  Press the display to cycle thru various parameters.


Also if you have Java(also provide from above link), you can run the mfc from the browser ( just need pins 5 and 7 for power) but you will probably want to connect to your daq if you are running some kind of sequence. 

 

instruction for access to browser included

good luck

 

0 Kudos
Message 53 of 76
(3,455 Views)

@amazed wrote:

Blokk got it.  

The fine pts are that you have P series MFC .  Obsolete, but i still use them.   http://www.mksinst.com/product/Product.aspx?ProductID=60



I think the OP only posted the photo of this P series MFC for demonstration purpose? Since he wrote in this last post, he did not buy another MFC yet, he has only a Devicenet version still...

0 Kudos
Message 54 of 76
(3,444 Views)

Yes, I have not buy the new one yet.
Here is an excellent forum.
Thanks everyone

0 Kudos
Message 55 of 76
(3,417 Views)

For anyone that may find this thread when trying to interface to the new Brooks MFC controller.

 

Watch out!

 

1) The new controllers did not offer an analog inteface. While the docs indicated Brooks had that in mind, as of about a year ago, no analog control. Only Serial.

 

2) The serial inteface is a mess. I wrote a LV interface that was work-able but it had to jump through hoops. Example, I would ask for the flow rate on Device #2 and it would return the flow rate for device #3. In psuedo code it read like "Give my port 2 flow, check if it replied with 2, no ask again, did it reply with 2? Yikes!

 

So if you find yourself having trouble controlling the Brooks MFC using the new MFC controller and thngs just do not make sense.... Hopfully you will remebe that Ben said the serial interface was a mess.

 

Take care,

 

Ben 

Retired Senior Automation Systems Architect with Data Science Automation LabVIEW Champion Knight of NI and Prepper LinkedIn Profile YouTube Channel
0 Kudos
Message 56 of 76
(3,376 Views)

@Ben wrote:

For anyone that may find this thread when trying to interface to the new Brooks MFC controller.

 

Watch out!

 

1) The new controllers did not offer an analog inteface. While the docs indicated Brooks had that in mind, as of about a year ago, no analog control. Only Serial.

 

2) The serial inteface is a mess. I wrote a LV interface that was work-able but it had to jump through hoops. Example, I would ask for the flow rate on Device #2 and it would return the flow rate for device #3. In psuedo code it read like "Give my port 2 flow, check if it replied with 2, no ask again, did it reply with 2? Yikes!

 

So if you find yourself having trouble controlling the Brooks MFC using the new MFC controller and things just do not make sense.... Hopfully you will remebe that Ben said the serial interface was a mess.

 

Take care,

 

Ben 


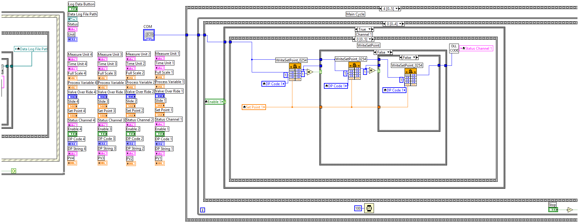
Ajaj 🙂 We just ordered 3 new Brooks GF80 MFCs, but with analogue control options (version code: "S4": 4-20 mA input/output pins + RS485 option), so at least these new models do contain analogue options (GF80-81). However, I plan to control these 3 MFCs from LabVIEW, but via the Brooks controller modell "0254" (Controller 0254). So I plan to connect my PC to this Controller unit via RS232. I just had a look at the provided LV "driver" at their website. Very amateurish work, messy code and DLL calls: Brooks LabVIEW .

 

Have a look at their "application example". I just show one part, but this is going in the same way all over in the whole code (trying to call 3 times the DLL function with the same parameters, and checking whether it worked or not... It should work at once, not??? Smiley Surprised ) I started to be worried about your post Ben, maybe this is the same symptome what you experienced?

 

Application Example_BD.png

 

 

 

 

 

Message 57 of 76
(3,363 Views)

That looks exactly like the situation I ran into blokk !

 

BTW, it did not always work after three attempts with the version of firnware we had for the 0254.

 

Thank for providing supporting evidence blokk !

 

Ben 

 

 

Retired Senior Automation Systems Architect with Data Science Automation LabVIEW Champion Knight of NI and Prepper LinkedIn Profile YouTube Channel
0 Kudos
Message 58 of 76
(3,322 Views)

Well, I will get the 3 MFCs and the 0254 Control Unit from Brooks in ~5-6 weeks. I will test it, and if I do not get proper communication via their provided "driver" dll, I will complain. Either they are going to fix the problem or refund...

But lets hope it will work. For sure, I will post my experiences in a separate post, if I face something which might be interesting to other LV programmers.

 

I am not really an expert in how these companies create their HW drivers for different languages. I wonder, why Brooks uses a DLL call instead of basic VISA functions with string commands. I already used MFCs, pressure sensors from MKS, Pfeiffer, Leybold. All of them provide LabVIEW VIs with proper VISA communcations for RS232... Do you think, it would make any difference, if I tried to program myself a driver for Brooks device using VISA functions and their manual for RS232 protocol? Or the problem is not in the DLL itself, but in lower level in the HW?

0 Kudos
Message 59 of 76
(3,310 Views)

Ben, could you provide me the firmware version of your Brooks unit 0254? thanks!

0 Kudos
Message 60 of 76
(3,299 Views)