LabVIEW

cancel
Showing results for 
Search instead for 
Did you mean: 

How to apply bilateral filter over a 2d matrix image

Solved!
Go to solution

Can you instead attach a simple VI containing the two images as data (e.g. as diagram constant)?

 

(Looks more like contrast enhancement. Can't you just remap the color table? Another option might be wavelets (see also))

0 Kudos
Message 21 of 26
(1,454 Views)

you need to install python3.7 to use this vi and LabVIEW x64bit 2020

 

attached vi with image place them at the same location and run this.  

 

 

Now you can suggest a simple approach or any predefined or built-in filters that may available in wavelets or advanced signal processing toolkit.

Download All
0 Kudos
Message 22 of 26
(1,441 Views)

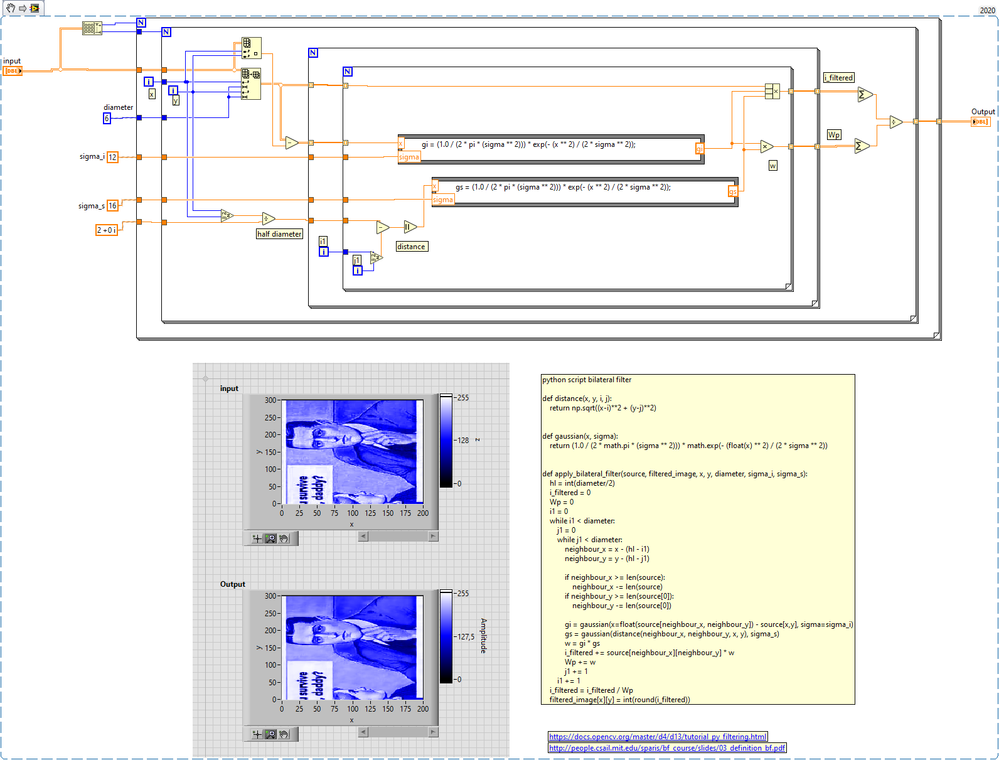
this is an attempt to translate  gptshubham595 's python script to labview

 

EDIT: if I feed the coin.jpeg into this .vi, the output is slightly different than in the actual python script 

 

plain G bilateral filter.png

Message 23 of 26
(1,428 Views)

I forgot this part in my snippet above:

 

Screenshot 2021-02-08 040227.png

 

I read the image in labview, normalize to 255 and feed this 2d array to the python script and to the labview code.

the calculated output is similar but not identical:

 

 

alexderjuengere_0-1612783157246.png

 

 

 

attached as .zip is the correct .vi, the python script without opcencv img.read and the coin.jpg

 

Message 24 of 26
(1,407 Views)

Thank You! I'm in love with this community now. 

 

I tried something similar for this you can check my first solution posted for this.

 

python was giving better result don't know why.

 

 

 

0 Kudos
Message 25 of 26
(1,395 Views)

@altenbach wrote:

 

I think all you need to do is a 2D convolution with a 2D Gaussian. Code should fit a postage stamp. No Python.


I'd love to see a solution based on

https://zone.ni.com/reference/en-XX/help/371361R-01/lvanls/convolution/

 

the issue with this is, that the kernel is not a constant (as it is usually), but does change from position to position when moved accross the input image.

 

@gptshubham595 wrote:

 

python was giving better result don't know why.

 


I suppose, we could test this with the opencv implementation as ground truth.

 

 

 

 

0 Kudos
Message 26 of 26
(1,381 Views)