ni.com is currently experiencing unexpected issues.

Some services may be unavailable at this time.

LabVIEW

cancel
Showing results for 
Search instead for 
Did you mean: 

Thermocouple measurement with external reference

Hi there,

I have a hopefully not very specific problem with LabView while using an Agilent 34970A for a thermocouple measurement, which I hope you could help me with

I'm relatively new with LabView, so the solution might be simple, but I can't figure it out myself

 

I want to measure a temperature using a thermocouple. As the quality of the measurement with a thermocouple is defined by the quality of the measurement of the reference the thermocouple compares to, I want to use an external reference (an almost isothermal device) Unfortunately I'm not able to do that and I can't find any help for this task online, which seems unreasonable to me because I'm surely not the first one to do this. 

 

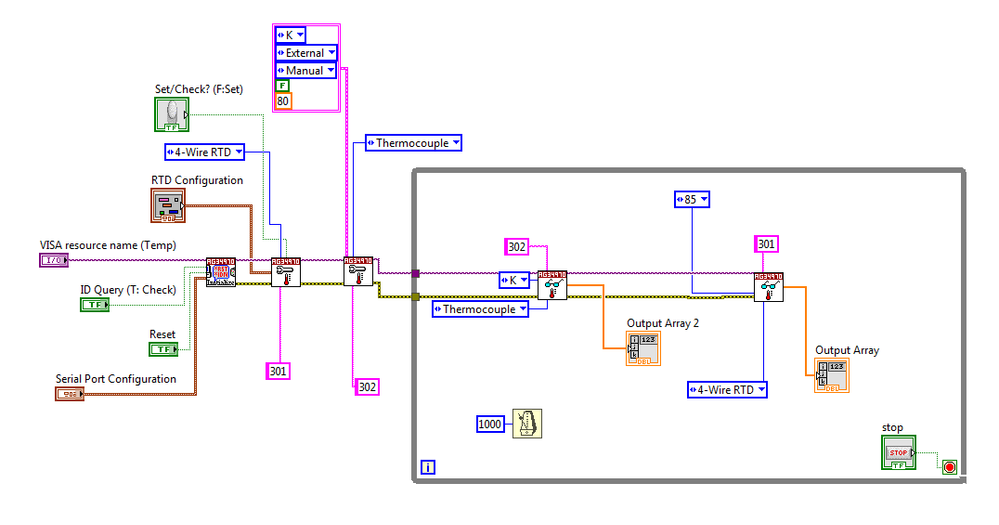
I created a VI that initalizes the instrument, defines the channels I want to use and the type of thermocouple (302) which is connected in this set-up. Also I define the external reference. By default, this reference is a 4-W-RTD, set on channel 301 (for me, could also be 101 or 201, if i got this right). I use the latest driver of Keysight to control the Agilent

 

The VI runs and creates values but it switches the reference back to the internal reference of the Agilent, which is faulty and therefore the tempeartues measured are far away from the real value.

 

If I start the scan via the interface of the Agilent or if I use the Keysight Bench Link Data Logger3, the measurements are correct, so it should be possible somehow and I hope that I just made a mistake

 

So far I monitored the IO commands using Labview and Bench Link, but they don't seem to be comparable.I noticed that, using my VI, the single channels are scanned and afterwards switched off. I also noticed that, when I try to set the channel of reference on the agilent interface directly, this is only possible if the channel is not switched off. Therefore I think, that this might be the problem. Unfortunately I couldn't find help or information how to keep channels switched on.

I attached Screenshots of my Vi and also the IO commands output, maybe somebody of you can help me to find my mistake, I'm pretty desperate. 

Unbenannt.PNGUnbenannt2.PNGUnbenannt3.PNG I also tried a second setup with a different structure, as I'm still very uncertain how Labview exectues its codes, unfortunately this also ddidn't help. Even if I try to set a fixed reference, this doesn't seem to affect the measurements of the thermocouple

Unbenannt4.PNGUnbenannt5.PNG

I would be very grateful If somebody could give me a hint, how this issue could be fixed,

this community already gave me a big help in other issues, I had before I came to this point 😉

Best regards, kallipo

0 Kudos
Message 1 of 3
(2,809 Views)

It seems you are not setting RTD to be a reference, you are setting 2 measurements - RTD and Thermocouple. So when you set thermocouple, it resets its reference to default. Should be a different VI.

Message 2 of 3
(2,750 Views)

Thank you for your help

I think you are right, but I can't figure out a way to achive this in labview properly as the VI provided in the driver doesn't support this in a way I don't understand.

However, I managed to create a VI that works, which I'd like to share.

I already mentioned, that I'm able to get realistic measurements if I execute the Scans just using the Agilent interface. The Agilent allows you to store a Set-Up for further use in its internal memory and the driver has a VI that calls directly stored Set-Ups. If I use this "Work-around", I get proper values in labview. 

It is enough for my purpose, but maybe somebody has a hint how I could improve this

Unbenannt.PNG

0 Kudos
Message 3 of 3
(2,731 Views)