ni.com is currently experiencing unexpected issues.

Some services may be unavailable at this time.

LabVIEW

cancel
Showing results for 
Search instead for 
Did you mean: 

Report generation toolkit fails to save Excel report (on target device)

Hi everyone,

Specification on what I’m using:
Development PC:

  • Excel 365
  • LabView 2016, 32-bit version
  • Windows 10, 64-bit

Target PC:

  • Excel 2010
  • LabViewRTE 2016 (don’t know how to find out what version it is)
  • Windows 10 Pro, 64-bit version

 

What have I done so far to repair the problem:

I started using report generation toolkit just few days ago. I had some issues with even building the VI on the first place – so many broken arrows in sub VI’s. Here is what I have done and what I have investigated:
1) https://forums.ni.com/t5/LabVIEW/Error-Saving-File-with-MS-Office-Report-Express-VI/td-p/3935752

2) https://forums.ni.com/t5/LabVIEW/Save-Report-to-File-Report-Generation-Toolkit-isn-t-actually/m-p/38...

3) https://knowledge.ni.com/KnowledgeArticleDetails?id=kA00Z0000019N7CSAU&l=cs-CZ

4) https://knowledge.ni.com/KnowledgeArticleDetails?id=kA00Z0000019ZVkSAM&l=cs-CZ

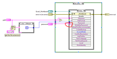
- Tried both .xls and .xlsx type of files. None of them work.
- Changed also password input to writerespassword in Save report VI

JacobSzlaur_0-1576233797447.png

 

Because of these threads I’m able to run the main VI without any problems on my development PC. Report is generated, then it is saved and closed – just as I want it to work.

 

What is the problem:

Now, when I build the executable application from the working VI everything again work just fine on my development PC, but when I run it on target device some weird things happen.
The report is generated, then I can see how the data is being inserted into the report, but when the VI tries to SAVE the report (not close!) the whole application crashes.
How I know it crashes when SAVING and not closing? The report doesn’t close and it’s not disposed of.

 

ALSO maybe imporant:
When it crushed first few times it was throwing this error (I mean on the target PC): "Access violation 0x0000005", which doesn't make any sense because I'm running the app as administrator and also I created the directory where I want to save the excel file.

 

I’m truly lost on this one! Have no idea what else should I do.
Thanks in advance for all the suggestions!

0 Kudos
Message 1 of 3
(3,356 Views)

According to this link, you need to have Excel and Word installed before installing the report toolkit.  Otherwise, your links to the ActiveX files may be broken.  You may want to try reinstalling the toolkit. 

 

aputman
0 Kudos
Message 2 of 3
(3,298 Views)

LabVIEW Executable Built with Microsoft 365 Will Not Run on Other Computers

You need to use the same version according to the knowledge base.

Now Using LabVIEW 2019SP1 and TestStand 2019
0 Kudos
Message 3 of 3
(3,255 Views)