LabVIEW

cancel
Showing results for 
Search instead for 
Did you mean: 

RTM for VI in PPL

Hi All,

I am facing issue in setting the runtime menu for a VI inside a PPL. I tried setting the menu statically as well as programmatically (using property node) but the default menu is shown always. When I read the value of the RT Menu property back, I get the value that I have set, but the menu shown is default.
RTM.png
Please let me know if any of you have tried this and you are able to get it working.

Thanks,

Sree



0 Kudos
Message 1 of 3
(2,641 Views)

tl:r; If you can include the RTMs in your library, this is no problem. If they need to be separately edited (and not part of the lvlibp file), maybe it's tricky/impossible...

 

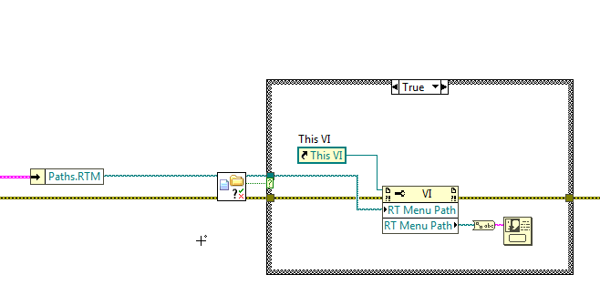
If I understand the problem you're trying to solve correctly, then I've attached some simple files showing it working (for LabVIEW 2017 32-bit Windows).

I included my compiled PPL, but of course for a different platform you can recompile.

 

Basically, I created a library with a single VI containing code much like you show in the image (taking a path input) and then a RunTime Menu with just the About LabVIEW dialog. I made sure to compile it with the default menu set. I then pass a path to the RTM, but in my case, (since the RTM is inside the PPL) the path looks like: <Current VI's Path (next to PPL)>/../MyLib.lvlibp/CustomRTM.rtm

snippet.png

 

Testing without a path connected shows the default RTM. Once I connect the path, I get the RTM compiled into the PPL.

If you don't want to use RTMs compiled into the PPL, you might have a problem (maybe this is what you wanted to do?) - I wasn't immediately able to use the same path (i.e with the MyLib.lvlibp section removed) to set the path - the indicators show it was found, but the menus didn't change.

 


GCentral
0 Kudos
Message 2 of 3
(2,566 Views)

Not sure how you fared with my last post, but here's a link discussing RTM in exes - it seems like they also have some requirement that they be included (perhaps).

https://forums.ni.com/t5/LabVIEW/Right-Click-menu-appears-as-default-in-build-even-when-it-was/m-p/3...


GCentral
0 Kudos
Message 3 of 3
(2,556 Views)