LabVIEW

cancel
Showing results for 
Search instead for 
Did you mean: 

Keithley 2450 4 wire resistance measurement

Hello,

 

I'm a student who study at material design lab in SKKU, Korea. 

I'm new in labview program.. I want your advice.

 

I want to measure 4 wire resistance measurement with bias current input with Keithley 2450. 

 

I downloaded driver.  

 

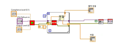
This is the whole VI, 

I used sub VI a lot because I need to use in another code.

water718_1-1640080526190.png

water718_2-1640080581897.png

 

water718_4-1640080801381.png

 

 

I notice I have to use "Enable Remote Sensing"  - after that "Enable Output" from searching. 

 

But when I run the code and look at the front panel of Keithley, it shows two wire mode, measuring current, input voltage.. 

 

What component should I adjust?

 

Thanks. 

 

 

 

 

0 Kudos
Message 1 of 8
(5,432 Views)

Not sure if this will help but here is the pertinent part pulled from one of our routines.  I don't see anything obvious for order of operation that would cause yours to not work, but I don't have direct access to the hardware currently to test it out.  

Dpete_0-1640113421434.png

 

0 Kudos
Message 2 of 8
(5,399 Views)

Hello, 

 

thanks for reply. 

water718_0-1640143820725.png

 

I build this VI again, but it gives

2 wire mode, resistance measurement, input voltage. 

 

I have no idea what sub VI can set 4 wire mode... 

Did I miss something? 

 

 

0 Kudos
Message 3 of 8
(5,376 Views)

Hello, 

화면 캡처 2021-12-22 130240.png

 

I found that if I do in this sequence, it can measure

 

input current / 4 wire voltage measurement mode / voltage output 

 

 

when I use Keithley program to measure sheet resistance, it measure resistance using 4 wire voltage measurement mode. 

So I guess using 4 wire voltage measurement mode is right, but I don't know how to make output as resistance ( ohm unit ).. 

 

Do you have any solution for this..? 

 

thanks

0 Kudos
Message 4 of 8
(5,372 Views)

Check this old thread. It is also regarding 4 wire resistance measurement using keithley 2440. It might help you.

 

https://forums.ni.com/t5/Instrument-Control-GPIB-Serial/keithley-2440-source-meter-4-wire-measuremen...


CLD Using LabVIEW since 2013
0 Kudos
Message 5 of 8
(5,369 Views)

Hello

I want to measure 4 wire resistance measurements with bias current input with Keithley 2450.

I downloaded a driver that gives an error.

I could not find the relevant driver. can you help me? send me the download link for the driver 4 wire resistance measurement.

0 Kudos
Message 6 of 8
(4,558 Views)

 i have not run 4 mode LabVIEW program in 2016 lab view. plz send 4 mode labview code for 2016 version.  

 

0 Kudos
Message 7 of 8
(4,258 Views)

Hi Bisht,

 


@Bisht wrote:

plz send 4 mode labview code for 2016 version.  


Did you already checked the IDNet?

Best regards,
GerdW


using LV2016/2019/2021 on Win10/11+cRIO, TestStand2016/2019
0 Kudos
Message 8 of 8
(4,252 Views)