LabVIEW

cancel
Showing results for 
Search instead for 
Did you mean: 

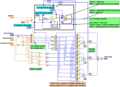
Interpolate Pixel

A few minor tweaks and cleanups.

But why is LV showing me hash marks on non-constant wires, and not showing them on constant wires?

paul_a_cardinale_0-1714522136333.png

 

0 Kudos
Message 91 of 95
(729 Views)

@Andrey_Dmitriev wrote:

In this particular case don't think that this will improve much, moreover, you will be surprised — SGL in my test (2023 and 2024 64-bit) is roughly twice slower:


That's quite surprising to me, but thanks for testing it.

G# - Award winning reference based OOP for LV, for free! - Qestit VIPM GitHub

Qestit Systems
Certified-LabVIEW-Developer
0 Kudos
Message 92 of 95
(696 Views)

@Yamaeda wrote:

@Andrey_Dmitriev wrote:

In this particular case don't think that this will improve much, moreover, you will be surprised — SGL in my test (2023 and 2024 64-bit) is roughly twice slower:


That's quite surprising to me, but thanks for testing it.


The parallel execution might not help at all here.

 

If the SubVI isn't a clone, parallel execution just overhead.

 

If it is a clone, the SubVI will calculate the LUT for each instance. That is probably a higher cost that the gain of parallel execution.

 

If the LUT as in a class's private data that wouldn't be a problem 🤗.

Message 93 of 95
(686 Views)

wiebe@CARYA wrote:

@Yamaeda wrote:

@Andrey_Dmitriev wrote:

In this particular case don't think that this will improve much, moreover, you will be surprised — SGL in my test (2023 and 2024 64-bit) is roughly twice slower:


That's quite surprising to me, but thanks for testing it.


The parallel execution might not help at all here.

 

If the SubVI isn't a clone, parallel execution just overhead.

 

🤗.


You're right, thanks to point on this.

But in this case parallel execution will help, but more for doubles and less for singles, which is also interesting.

 

No parallel execution, singles slightly ahead of doubles:

Screenshot 2024-05-02 12.21.47.png

4 Threads parallel execution, now penalties on singles:

Screenshot 2024-05-02 12.23.38.png

16 threads parallel execution, faster, same proportion:

Screenshot 2024-05-02 12.25.09.png

 

Message 94 of 95
(677 Views)

The NaN is a constant, so it won't adapt to the wired type.

 

Not sure if that's the mistake (it seems irrelevant compared to all other math), but a mistake nonetheless.

 

It will convert the input to dbl to do compare, and that will be slower for a sgl than a dbl.

 

0 Kudos
Message 95 of 95
(635 Views)