LabVIEW

cancel
Showing results for 
Search instead for 
Did you mean: 

Exaprom authorization

Solved!
Go to solution

Hello JM,

 

in attchment in LV 2009 form.

 

Thanks for your help

Download All
0 Kudos
Message 11 of 17
(1,869 Views)

I will try to give you a feedback Friday.  I have to remove my actual version "Exaprom PDF 2.0" and install "Exaprom PDF 1.0".

From the error message, it looks like the password is not transferred to the PDF Reader.

The PDF document is produce in several steps:

1) Creation of the PDF document and default values including the password (New PDF.vi);

2) Adding contents (text, image, table, etc.):

3) Closing the original PDF document (Close PDF.vi).

Close PDF.vi does a lot of things.

4) Close the original PDF.  At this step the document has no Header, Footer or Watermark (they are store in the XControl);

5) Open a PDF Reader of the previous document.

6) Create a PDF Stamper (who generate a PDF file with a temporary name) linked to the the PDF Reader (step 5);

7) Copy, page by page, the PDF Reader in the temporary PDF file and add Header, Footer and Watermark at each page;

😎 Close the PDF Reader and the PDF Stamper;

9) Delete the original document with no Header, Footer and Watermark (step 4);

10) Rename the PDF File (temporary name) with the name used with New PDF.vi.

It looks like the password is not correctly transferred in the XControl and it is not possible to open a PDF Reader (step 5). In this case, the document produce by the PDF Stamper is empty and iTextSharp is not suppose to allow this.

JM

 

 

 

0 Kudos
Message 12 of 17
(1,860 Views)

It is an error in the Exaprom PDF 1.0 palette.

 

In this version, the password is not use for opening the PDF Reader.

 

Open PDF Stamper (2010 version).jpg

 

I didn't remember exactly when I made the initial  modification (to fix the problem).

Open PDF Stamper with Password (2012 version).jpg

 


Unfortunatly, the version 2.0 is not compatible with the version 1.0. Sorry...

 

 

0 Kudos
Message 13 of 17
(1,848 Views)

Hello JM,

 

I have modify the palette like this

 

stamper mod.jpg

 

But in the end the pdf lose permissions.

 

There is an change in an another Vi ?

 

I don't have the version 2.0.

 

Where is it ?

 

Thanks for your help

0 Kudos
Message 14 of 17
(1,838 Views)

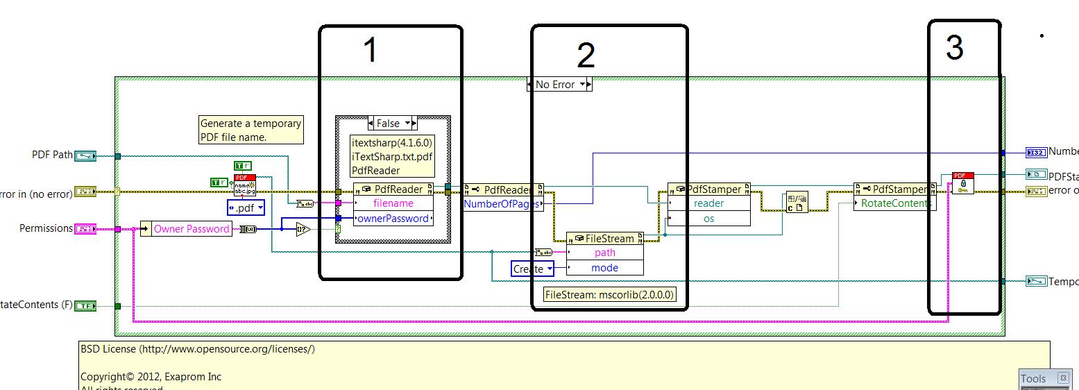
Open PDF Stamper with Password (2012 version) B.jpg

 

1) We open the previous PDF file with the password and permissions (you have already done that).

 

2) We create a PDF File with a temporary name.

 

3)  We set the permissions for this file.

 

 

Message 15 of 17
(1,832 Views)
Solution
Accepted by Jacouille

Many thanks for your help

 

It's exactly what i ma looking for

0 Kudos
Message 16 of 17
(1,812 Views)

Hello Jacouille,

 

Can you mark J-M's answer as the solution of the issue?

Kind Regards,
Thierry C - CLA, CTA - Senior R&D Engineer (Former Support Engineer) - National Instruments
If someone helped you, let them know. Mark as solved and/or give a kudo. 😉
Message 17 of 17
(1,795 Views)