LabVIEW

cancel
Showing results for 
Search instead for 
Did you mean: 

Edit rownames in multicolumn listbox at runtime using keyboard

The activecell position is not updated?snip.png

0 Kudos
Message 11 of 23
(2,411 Views)

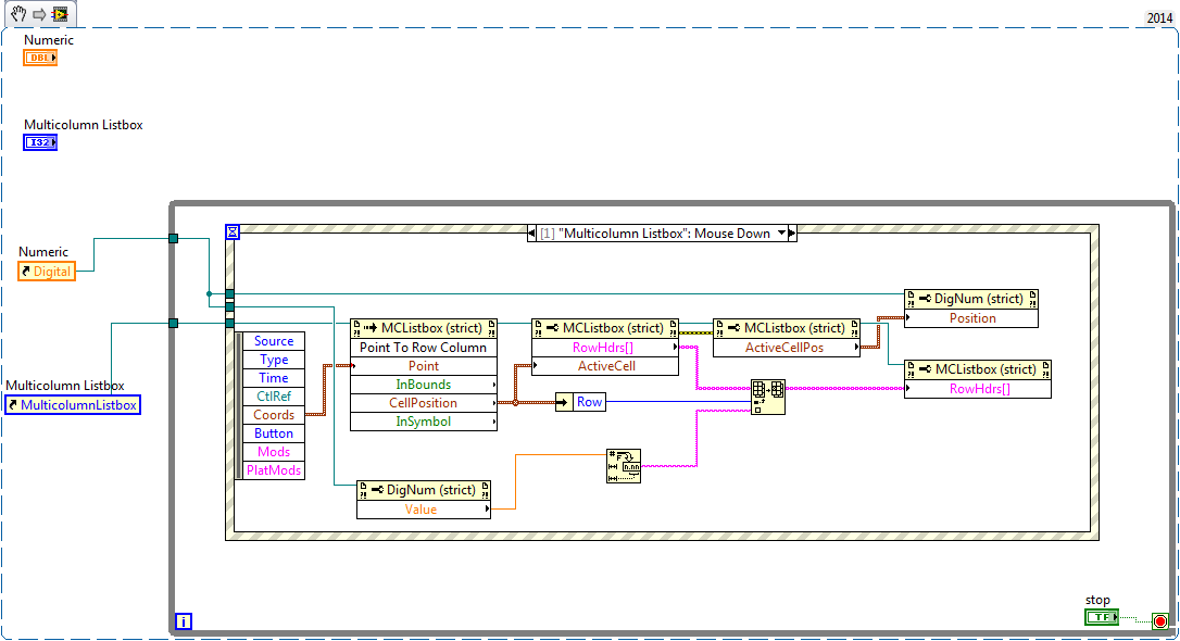
Here you need to follow some order

Get the cell position from Point to row column and then provide thsi cell position to MCL Property node as Active cell the use another property node to get active cell position

 

Maintain the same execution flow you will get the active cell position

----------------------------------------------------------------------------------------------------------------
Palanivel Thiruvenkadam | பழனிவேல் திருவெங்கடம்
LabVIEW™ Champion |Certified LabVIEW™ Architect |Certified TestStand Developer

Kidlin's Law -If you can write the problem down clearly then the matter is half solved.
-----------------------------------------------------------------------------------------------------------------
0 Kudos
Message 12 of 23
(2,409 Views)

Find the attached image for your Reference

----------------------------------------------------------------------------------------------------------------
Palanivel Thiruvenkadam | பழனிவேல் திருவெங்கடம்
LabVIEW™ Champion |Certified LabVIEW™ Architect |Certified TestStand Developer

Kidlin's Law -If you can write the problem down clearly then the matter is half solved.
-----------------------------------------------------------------------------------------------------------------
0 Kudos
Message 13 of 23
(2,404 Views)

Ah fine.

Still the indicator is not in the right position:snip.png

0 Kudos
Message 14 of 23
(2,399 Views)

you want to place the numeric indicator in the MCL in the specific cell which you click right?

 

long before the expereinced the same and it worked for me.

Even you can use visible peoperty to make the numeric indicator only visible after clicking the cell

----------------------------------------------------------------------------------------------------------------
Palanivel Thiruvenkadam | பழனிவேல் திருவெங்கடம்
LabVIEW™ Champion |Certified LabVIEW™ Architect |Certified TestStand Developer

Kidlin's Law -If you can write the problem down clearly then the matter is half solved.
-----------------------------------------------------------------------------------------------------------------
0 Kudos
Message 15 of 23
(2,395 Views)

Have you  tried my snip? I can't get it working

0 Kudos
Message 16 of 23
(2,388 Views)

@Michael.Koppelgaard wrote:

Have you  tried my snip? I can't get it working


Attach  VI...

----------------------------------------------------------------------------------------------------------------
Palanivel Thiruvenkadam | பழனிவேல் திருவெங்கடம்
LabVIEW™ Champion |Certified LabVIEW™ Architect |Certified TestStand Developer

Kidlin's Law -If you can write the problem down clearly then the matter is half solved.
-----------------------------------------------------------------------------------------------------------------
0 Kudos
Message 17 of 23
(2,385 Views)

After setting the position of the Numeric control, try to use the property "Key focus" of numeric control. So that when user types in the keyboard, it will update the value of Numeric control.

 

Then try to set the value of the particular cell in list box, using "Numeric ctrl" Value change event case.

Capture.PNG

0 Kudos
Message 18 of 23
(2,378 Views)

@Michael.Koppelgaard wrote:

Have you  tried my snip? I can't get it working


Your Control hides behind your MCL, so select the Numeric control and use brint to front (ctrl+Shift+K)

----------------------------------------------------------------------------------------------------------------
Palanivel Thiruvenkadam | பழனிவேல் திருவெங்கடம்
LabVIEW™ Champion |Certified LabVIEW™ Architect |Certified TestStand Developer

Kidlin's Law -If you can write the problem down clearly then the matter is half solved.
-----------------------------------------------------------------------------------------------------------------
0 Kudos
Message 19 of 23
(2,363 Views)

Thank you for your advices 🙂

Nearly there now. Only the position of the numeric is not perfect.

 

 

0 Kudos
Message 20 of 23
(2,356 Views)