PXI

cancel
Showing results for 
Search instead for 
Did you mean: 

PXI-4113 - Driver Error -1074118574

Solved!
Go to solution

Hello, 

 

I didn't find answer for my problem on this forum so I'm writting a new topic. 

 

I have several PXI-4113 and I have often the following problem : 

Driver Error  -1074118574: An error has been detected with the sense leads. This error could result from a reversal or incorrect connection of the sense lines. Please verify your hardware configuration.

5537 Status Code: -235106
 
It could appear randomly on each device. 
I didn't find te reason of this problem. All devices seem to be in the same initial state and the same hardware configuration when the error occurs and when everything's fine. 
 
I used for a long time the ni dc power driver 19.1 and I updated it to 20.1. The error remains. 
 
Thank you for reading this. If you have an idea don't hesitate to help me 🙂 
 
Have a nice day
0 Kudos
Message 1 of 6
(2,530 Views)

This may be related to how you use connect/disconnect or enable/disable the outputs of the instrument.

 

If possible, please share a snippet of the code and also the connection diagram.

Santhosh
Soliton Technologies

New to the forum? Please read community guidelines and how to ask smart questions

Only two ways to appreciate someone who spent their free time to reply/answer your question - give them Kudos or mark their reply as the answer/solution.

Finding it hard to source NI hardware? Try NI Trading Post
0 Kudos
Message 2 of 6
(2,472 Views)

Thank you santo_13 for your answer. 

 

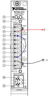
First, you can find the way I connected my devices to the power supply : 

 

deuxmc_0-1595343815108.png

 

I chose to connect the 2 channels in serial to provide more than 10V. 

 

 

 

Second, you can find an soft example : 

 

- init Power Supply -> session configuration

self.session = nidcpower.Session(resource_name=self.nom,channels=self.channel,reset=True)
self.session.reset_device()

self.sesion_state = 0 # état de la session d'alim : 0 pas commitée - 1 commitée
self.state = 0 # état de l'alim : 0 éteinte - 1 allumée

self.channel = self.channel

self.voltage_level = self.params[0]
self.voltage_level_range = self.params[1]
self.current_limit = self.params[2]
self.current_limit_range = self.params[3]

self.session.channels[self.channel].voltage_level = self.voltage_level
self.session.channels[self.channel].voltage_level_range = self.voltage_level_range
self.session.channels[self.channel].current_limit = self.current_limit
self.session.channels[self.channel].current_limit_range = self.current_limit_range

 

def _alimON(self):
"""
alimentation du device que s'il est dans l'état éteint ie state = 0
:return:
"""
_output_enabled = 0

# if session not commited
if (self.session_state == 0):
self.session.commit()
self.session.initiate()
Log.LOG.debug("Session commited")
self.session_state = 1

# if session commited and outputs disable
if (self.state == 0):
self.session.channels[self.channel].output_enable
Log.LOG.debug("Output enabled")
self.state = 1
Log.LOG.debug("Etat alim : {}".format(self.state))
self._checkAlim()

def _alimOFF(self):
"""
arrêt de l'alim du device
on remet l'état de l'alim à éteint (state = 0) si l'alim est allumée
:return:
"""
if (self.state == 1):
# self.session.disable()
self.session.channels[self.channel].output_enabled = False
self.state = 0

def _close(self):
self._alimOFF()
self.session.disable()
self.session.close()

def _checkAlim(self):
"""
vérification que alim bien allumée
:return:
"""
channel = []
tolerance = 0.5
channel.append(self.channel.split(','))
for ch in range(len(channel[0])):
try:
voltage_meas = self.session.channels[ch].measure(nidcpower.MeasurementTypes.VOLTAGE)
Log.LOG.debug("Voltage measured : {}".format(voltage_meas))
except:
Log.LOG.debug("Pas possible de mesurer tension avec cette alim")
voltage = self.session.channels[ch].voltage_level
if ((voltage < self.voltage_level-tolerance) | (voltage > self.voltage_level+tolerance)):
raise ValueError("Erreur d'alimentation")

 

I run a tests serie, for example test_1.py and test_2.py. 

I begin to create :

- Power Supply object 

- 2 Devices objects (the 2 devices share the same power supply)

 

For test_1, I use the function _alimON() and at the test's end _alimOFF(). 

Same for test_2. 

 

And after my 2 tests I use the _close() function. 

 

Is that clear enough? 

Don't hesitate to ask for more informations 🙂

 

Thank you. 

 

 

 

0 Kudos
Message 3 of 6
(2,461 Views)
Solution
Accepted by deuxmc

Your connection seems good for Force lines but you did not provide information on how you connected the sense lines. And also you don't seem to have configured the sense mode in your code.

Santhosh
Soliton Technologies

New to the forum? Please read community guidelines and how to ask smart questions

Only two ways to appreciate someone who spent their free time to reply/answer your question - give them Kudos or mark their reply as the answer/solution.

Finding it hard to source NI hardware? Try NI Trading Post
0 Kudos
Message 4 of 6
(2,443 Views)

I didn't connect sense lines because I don't need to use them. 

But I just read that the sense leads must always be connected. So I plugged my jumpers for a local sense HW configuration. 

 

And I haven't configure the sense mode in my code.

But I just found out that the default value for sense mode is local. Therefore I think my problem is solved 🙂

 

Thank you 

 

0 Kudos
Message 5 of 6
(2,426 Views)

Great!

 

Please mark the solution for your thread so that it will be closed.

Santhosh
Soliton Technologies

New to the forum? Please read community guidelines and how to ask smart questions

Only two ways to appreciate someone who spent their free time to reply/answer your question - give them Kudos or mark their reply as the answer/solution.

Finding it hard to source NI hardware? Try NI Trading Post
0 Kudos
Message 6 of 6
(2,423 Views)