Multisim and Ultiboard

cancel
Showing results for 
Search instead for 
Did you mean: 

power supply output voltage 12v using silicon controlled rectifier?

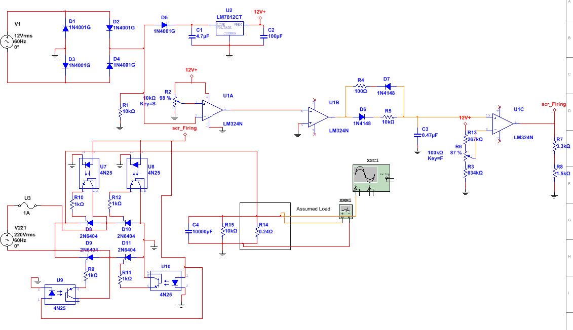
Power supply 12V using SCR.JPGHi I'm having trouble with this circuit schematic. It seems that the fuse at the scr rectifier bridge always breaks. I'm trying to get an output of 12V AC-DC. Also I'm trying to make an actual circuit using this multisim simulation. Is there something wrong with the connections? Any help would be much appreciated.

Download All
0 Kudos
Message 1 of 2
(5,001 Views)

It looks like the load resistor is R14 = 0.24 ohms. It is connected to a 220 VAC source when the SCRs are conducting.  Unless Ohm's Law has changed recently, that is over 900 A.

 

Was R14 supposed to be a current measuring shunt that got connected parallel to the load rather than in series?

 

It will be difficult to get a 12 VDC output from the SCR bridge.  The total conduction angle for the SCRs will be only a few degrees or conduction time will be ~0.1 ms.  Your timing and triggering circuit probably does not have that much resolution.

 

Lynn

0 Kudos
Message 2 of 2
(4,981 Views)