Multisim and Ultiboard

cancel
Showing results for 
Search instead for 
Did you mean: 

help to do an activity about " half wave rectifier" using the multisim

Solved!
Go to solution
the activity primary objtives are:


1. Make a half wave rectifier
2.
Check the behavior of the diodes
3.
assemble the circuit in the figure
4.
Compare the waves over the diode and over the resistor
5.
Add the capacitor and observe the waveform at the output of the circuit
6.
Draw the waveforms as requested:
.
Transformer Output
.
About the resistor without the capacitor
.
About the resistor with the capacitor

Jlio79_0-1639402000409.png

 

I know almost nothing about the use of multisim and electrical, if someone helps me I will be very grateful. thanks











 

0 Kudos
Message 1 of 9
(3,223 Views)

Первые два пункта выполнили в этом файле

tipa_0-1639490287442.png

 

0 Kudos
Message 2 of 9
(3,188 Views)

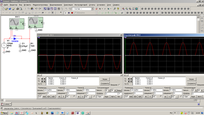
4. Сравниваем волны на диоде и резисторе

tipa_0-1639491080716.png

 

0 Kudos
Message 3 of 9
(3,187 Views)

5. Добавили конденсатор

tipa_0-1639491367800.png

 

0 Kudos
Message 4 of 9
(3,186 Views)

6. Подключаем реальный выходной трансформатор (постоянное напряжение не трансформируется), смотрим формы с резистором

tipa_0-1639492250487.png

и с конденсатором

tipa_1-1639492356312.png

последние два задания отдают странностью, но Мухтар сказал-Мухтар сделал! Привет учителям, пускай внятные задания рисуют впредь. А, может, я что-то недопонял...

0 Kudos
Message 5 of 9
(3,181 Views)

Thank you very much for your help and for your time, but would you be able to send me the multisim file so I can see in my pc and test the activity

0 Kudos
Message 6 of 9
(3,180 Views)
Solution
Accepted by topic author Júlio79

вам отправил 2 файла симуляции

tipa_0-1639494223405.png

оба файла открываются версией не ниже 14

tipa_0-1639494097926.png

 

0 Kudos
Message 7 of 9
(3,176 Views)

thanks 😅

0 Kudos
Message 8 of 9
(3,170 Views)

-у нас говорят: "спасибо в стакан не нальёшь"😃

0 Kudos
Message 9 of 9
(3,149 Views)