Motion Control and Motor Drives

cancel
Showing results for 
Search instead for 
Did you mean: 

Does anyone have examples about how to use property node and invoke node in NI Softmotion to control motors with EtherCAT?

Solved!
Go to solution

Hi everyone,

I have succeeded in running motors with EtherCAT in LabVIEW. What I'm going to do is to running motors in torque control. 

I saw instructions here https://knowledge.ni.com/KnowledgeArticleDetails?id=kA00Z0000019MKASA2&l=en-US

It said I could use property node and invoke node to change the control mode to torque code.

But I'm new to NI Softmotion.

Does anyone have examples about using property node and invoke node?

My working environment is 

NI compactRIO 9049

Yaskawa Motors with EtherCAT drive

Thanks.

0 Kudos
Message 1 of 6
(3,469 Views)

What application are you trying to solve with the torque mode? By default, SoftMotion Drive Interface supports Profile Torque mode of DS402. The Write Torque Setpoint method is intended more to set a target torque (really a target current loop value) on the drive, and then let the drive attempt to achieve and hold that value. For an explanation of Profile Torque vs. Cyclic Synchronous Torque modes, please see my post here.

 

For the majority of EtherCAT drive uses with SoftMotion, I would recommend using the default Cyclic Synchronous Position mode which allows you to use SoftMotion's move modes as well as write position setpoints directly to the drive if needed. Trying to close a position loop using torque commands at a ~1kHz update rate with an EtherCAT drive will not result in satisfactory performance. However, using position updates at ~1kHz with an EtherCAT drive allows the drive to close the position, velocity, and torque loops as fast as possible to provide very precise position control.

0 Kudos
Message 2 of 6
(3,447 Views)

Thanks for your help! That's really helpful.

Actually, I'm working on a unwinding and rewinding system.I have to ensure the tension of the web to prevent slide. 

So, I don't need to set a position for motor. They will run until I press Stop Move.

0 Kudos
Message 3 of 6
(3,445 Views)

Thanks for the details. Feel free to experiment with those methods using the SDI plug-in; I just wanted to start with that explanation of what it is doing.

 

As far as using them with the Sigma-7 goes, first follow the Getting Started Guide for SDI to install and test the plug-in. The plug-in includes an example project and VI which will show you how to use the "Open VI" and "Set Plugin Mode VI" to use the plug-in. Then use the methods mentioned in the KB to write the velocity or torque setpoints directly. This will bypass SoftMotion's trajectory generation, so be careful to set appropriate limit switches, current, and velocity limits on the drive as needed.

0 Kudos
Message 4 of 6
(3,428 Views)

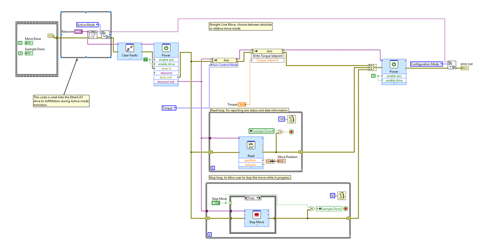
Could you please share a example?

My program doesn't work well. The Read part is workable. But the motor doesn't move.

torque_control.png

0 Kudos
Message 5 of 6
(3,419 Views)
Solution
Accepted by topic author Jingyang_Yan

I have succeedde in Torque Control! The reason why I failed before is that the Torque Setpoint was too low. After I change it to 20, the motor runs.

The next thing is to do the calibration.

0 Kudos
Message 6 of 6
(3,403 Views)