ni.com is currently undergoing scheduled maintenance.

Some services may be unavailable at this time. Please contact us for help or try again later.

LabVIEW

cancel
Showing results for 
Search instead for 
Did you mean: 

whats these elements called? Python integration

Solved!
Go to solution

I was learning about python integration with Labview

so I was learning python toolkit by Enthought

 

Toolkit End of Life -- Porting to LabVIEW's native Python support – Enthought Knowledge Base

 

I was confused with one of the video lectures with the name of this element.

 

 
 
 

1.png

 

Webinar: Using Python and LabVIEW to Rapidly Solve Engineering Problems | Enthought - YouTube

timestamp 9:38

 

1.png

0 Kudos
Message 1 of 6
(1,990 Views)
Solution
Accepted by topic author gptshubham595

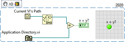
The first is the path of the current VI. The next is "Strip Path" which strips off the last element of the path. The last is "Build Path" which adds the filename/folder input to the path.



Mark Yedinak
Certified LabVIEW Architect
LabVIEW Champion

"Does anyone know where the love of God goes when the waves turn the minutes to hours?"
Wreck of the Edmund Fitzgerald - Gordon Lightfoot
Message 2 of 6
(1,982 Views)

when you don't need the actual vi name, you can use the "application directory.vi"

app_directory.png

Message 3 of 6
(1,973 Views)

Also, can you tell me the name of this element

 

gptshubham595_0-1612388655135.png

 

0 Kudos
Message 4 of 6
(1,962 Views)

Variant To Data

Message 5 of 6
(1,953 Views)

Thank you

0 Kudos
Message 6 of 6
(1,944 Views)