LabVIEW

cancel
Showing results for 
Search instead for 
Did you mean: 

string formating

where can i find a list of all the different formats that you can use for a string being piped out of a Array to Spreadsheet String?
0 Kudos
Message 1 of 6
(3,654 Views)
Try searching for Format Specifier Syntax in LabView Help.

Cheers
0 Kudos
Message 2 of 6
(3,648 Views)
great, i found it, thank you jmcbee!



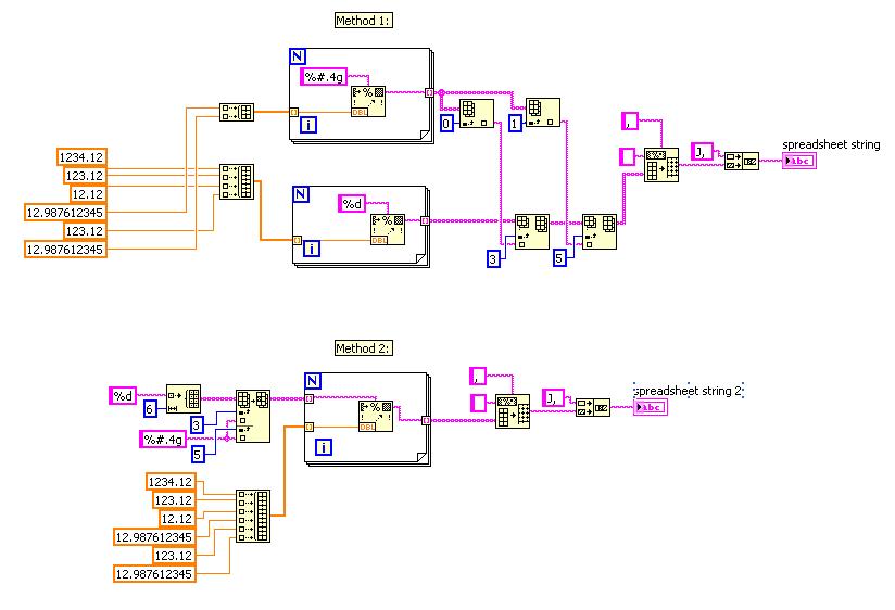
can anyone tell me, now, if there's a way to take multiple dbl's and combine them together to look like this with formatting?:

J,1234,123,12,12.9876,123,12.9876
0 Kudos
Message 3 of 6
(3,635 Views)
Jim,

Since the doubles have different formats (some as integers, some with 4 decimal precision), it is neccessary to format the strings individually before using the "Array to Spreadsheet String" function.  I couldn't find a "pretty" way to do this, but I've attached an example showing two different ways which accomplish the same thing:



I hope that helps!




Message Edited by Devin_K on 11-28-2007 03:30 PM
0 Kudos
Message 4 of 6
(3,587 Views)
You could also just do this:



Message Edited by smercurio_fc on 11-29-2007 09:07 AM
0 Kudos
Message 5 of 6
(3,561 Views)
Very true!  I knew there was something simple I was missing.  Thanks smercurio_fc!
0 Kudos
Message 6 of 6
(3,554 Views)