LabVIEW

cancel
Showing results for 
Search instead for 
Did you mean: 

MPPT tracking using keithley 2400

Solved!
Go to solution

Hello Everyone,

 

I have to develop a program to track the maximum power point of solar cell continuously, as i am new to Lab View its getting very hard for me to understand some terms. still i tried to develop some algorithm by looking some research paper, but i have some confusions related to case structures and also i don't know whether i am going in right path.

 

Can anybody give suggestion on this. It will be very helpful for me.

 

Thanks in advance.

 

 

0 Kudos
Message 1 of 11
(4,067 Views)

@ratsh wrote:

I have to develop a program to track the maximum power point of solar cell continuously, as i am new to Lab View its getting very hard for me to understand some terms. still i tried to develop some algorithm by looking some research paper, but i have some confusions related to case structures and also i don't know whether i am going in right path.

 

Can anybody give suggestion on this. It will be very helpful for me.


It would help to know what you are trying to do (e.g. "some algorithm by looking some research paper" needs some clarification).

 

"Some confusions related to case structures" could be clearer. What is your confusion?

 

Obviously, the code is broken, but it's hard to suggest the right solution if we don't know what the result should be. You should specify a value for the other case or right click the output tunnel to specify "use default". Which one is right? Who knows..

0 Kudos
Message 2 of 11
(4,065 Views)

Hello

 

sorry for the not being clear, Actually i am trying to devlop a program using Incremental conductance method for MPPT tracking. I used reference from research paper but i am not sure with the case structures true block. And i need a power voltage curve in the end which can track Maximum power point.

 

I have attached a file, that is what actually i am trying to do.

 

Thanks 

Message 3 of 11
(4,057 Views)

MPPT is a pretty well known term in solar cell technology but I’m not sure I would use a multimeter type of device to measure the process values. This would seem rather slow to me but it may be ok for a test or demonstration setup. 

 

The principle is fairly simple, but the technology can be pretty complex, but I assume you have the according ready made power driver electronics that you can directly control. Developing this part is the really hard thing about solar converters, MPPT is just an algorithm in many ways similar in complexity as a simple PID.


Basically you want to control the voltage or usually current of the converter circuit and measure the other variable and then calculate its power. Repeat with a slightly different setpoint and measure again. If the poser increases keep going in that direction otherwise reverse the sign of the correction value. There are many possible improvements such as using the amount of power change to calculate an adaptive correction value for the next cycle but you also have to watch out to maintain safety at all times. You don’t want either current or voltage to ever exceed the rated values of your electronics and this is where things start to get really complicated and more complex than a simple PID.

 

But I see that the Keithley 2400 is a power source meter and not just a DMM. So you basically want to use it as your converter electronic load. That makes sense for a test setup. But with questions like "I'm not sure with the case structure true block needs to be" it's really hard to give any good advice. There are three case structures, all of them with empty true case. It really sounds like: "I have no clue and want someone to do this for me".

 

Looking at your code, all you are doing is to setup a sweep on the Power Source meter and then analyse its measurement results. That is not really MPPT. You simply could multiply the voltage and current of those measurements and simply use a Min/Max Array function to find the maximum value in that function and are done with it. No MPPT needed for such a setup.

Rolf Kalbermatter  My Blog
DEMO, Electronic and Mechanical Support department, room 36.LB00.390
Message 4 of 11
(4,046 Views)

@ratsh wrote:

I used reference from research paper but i am not sure with the case structures true block.


What happens in the cases not shown:

wiebeCARYA_1-1658133411479.png

 

Is in the flow chart:

wiebeCARYA_0-1658133387329.png

 

0 Kudos
Message 5 of 11
(4,020 Views)

BTW.

 

The author's email is in the PDF.

 

He might simply send you the code if you ask him. He's already sharing it in the paper.

 

 

0 Kudos
Message 6 of 11
(4,016 Views)

Hello @rolfk,

 

So the thing is after getting IV curve i don't have to develop an algorithm instead i have to multiply both to get the power and put the min and max array? 

 

 

0 Kudos
Message 7 of 11
(3,997 Views)
Solution
Accepted by topic author ratsh

@ratsh wrote:

Hello @rolfk,

 

So the thing is after getting IV curve i don't have to develop an algorithm instead i have to multiply both to get the power and put the min and max array? 


That's how I would understand it. MPPT would mean that you continuously calculate a new value for the voltage of the source meter, measure the resulting voltage and current, calculate the power and see if it is higher or lower than before. If it is higher your previous correction was in the correct direction and you need to continue to correct towards that direction. If it is lower you passed the MPP point and need to backtrack a little by inversing the direction of the correction. Pretty simple. but this only really makes sense if you want to operate the cells under real world conditions where the available light will continously change. The MPP of a solar cell changes depending on temperature and of course available light (photons). That is why solar cells are normally operated with MPPT to get the maximum possible power from them at sometimes quickly varying environmental conditions.

 

You seem to do simply a characterisation at a specific light intensity by simply sweeping the DUT and then you can take those measurements and calculate whatever you need from them.

Rolf Kalbermatter  My Blog
DEMO, Electronic and Mechanical Support department, room 36.LB00.390
Message 8 of 11
(3,979 Views)

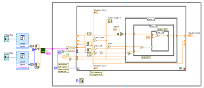
I tried getting IV and PV curve with the STC but i dont understand why i am getting the values in negative. I am attaching the code and the screenshot. can you please let me know what could be the possible reason. 

Download All
0 Kudos
Message 9 of 11
(3,898 Views)

Hello @Rolf Kalbermatter,

 I tried getting an IV and PV curve, after that i developed algorithm using incremental conductance method. Now i want to give the output of this algorithm to update my old Vset so that i can perform mppt. can you please give any idea on this, how it can be done?

 

Thanks in advance

0 Kudos
Message 10 of 11
(3,869 Views)