LabVIEW

cancel
Showing results for 
Search instead for 
Did you mean: 

Inquiry about how to visualize USB-8451 & ADXL345 I2C Labview Data

 

I would like to inquire about how to visualize USB-8451 & ADXL345 I2C Labview Data.
I am currently a beginner user and want to visualize using a USB-8451 device and an ADXL345 acceleration sensor as Labview.
I don't know how to start at the beginning, so I think it'll be easy to start if you tell me examples and so on.
Please help me.

Currently, USB-8451 & ADXL345 sensor connection is completed.

 

Owen80_0-1717686184317.png

 

0 Kudos
Message 1 of 2
(724 Views)

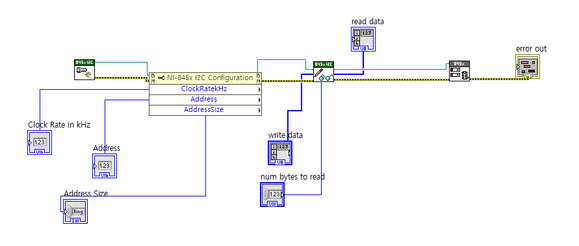
I wrote it like this.
Please help me.

 

Owen80_0-1717687149983.png

 

0 Kudos
Message 2 of 2
(704 Views)