LabVIEW

cancel
Showing results for 
Search instead for 
Did you mean: 

FPGA Notch Filter Scaled Coefficients to SGL

Solved!
Go to solution

Hi,

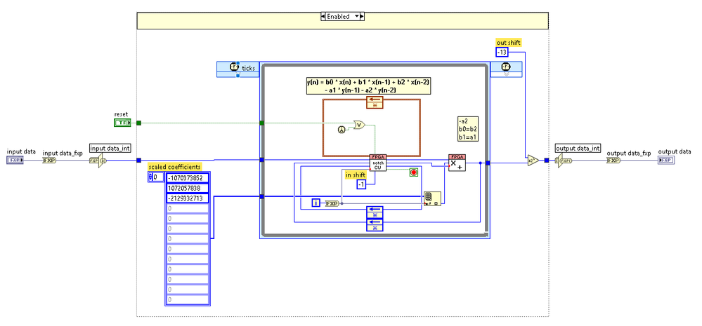
I am working on digital notch filter on FPGA. I am using the well-known Notch Filter.vi and the Notch Coefficients in RT System. I wanted to see the Notch algoritm so I opened the Notch Filter.vi, see below. I would like to know the notch coefficients in floating point or fixpoint format to investigate the notch properties but I am not able to recalculate them. Could anyone explain to me how to do it ?

image.png

0 Kudos
Message 1 of 2
(2,641 Views)
Solution
Accepted by topic author charlie87

Hi charlie,

 

do you see that "out shift" of -13 in your image?

All the coefficients are scaled to integers with 2^13. To get the correct FXP result the output gets scaled by 2^-13 in the end.

 

Using integers is much easier in the FPGA and all you need is to apply some scaling to your numbers…

Best regards,
GerdW


using LV2016/2019/2021 on Win10/11+cRIO, TestStand2016/2019
Message 2 of 2
(2,635 Views)