LabVIEW

cancel
Showing results for 
Search instead for 
Did you mean: 

Emg signal reading with Labview

Solved!
Go to solution

Greetings to everybody out there. I'm an engineer relatively new to using a DAQ device and the Labview software.

Until now, I've beenusing an Arduino with an Emg sensor to read the signals from my body and plotting them on my computer.
Recently, I have acquired an Usb-6343 device and now I'm trying to hook this up with the Emg sensors I've been using. I'm not sure if the sensors arecompatible with the Usb device or not, but I would really appreciate it if anybody who knows how to set up the system would kindly help me out. So my goal would be reading
the Emg signals and plotting them down on Labview.
I've left an URL containing information about the Emg sensors I've been using.
Thank you very much for reading this!

 

https://wiki.dfrobot.com/Analog_EMG_Sensor_by_OYMotion_SKU_SEN0240

0 Kudos
Message 1 of 3
(2,710 Views)
Solution
Accepted by topic author Koon123

You should be able to read the voltage output of the EMG sensor with your DAQ device.

 

You will need to provide it with an external 3.3-5.5VDC voltage though. A benchtop power supply would be fine.

 

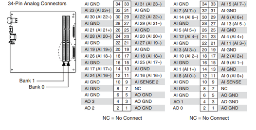
I am currently struggling to find a manual for this device, but from what I have found you might need connectors to wire signals to the 6343.

 

To connect your EMG sensor you will need to make the following connections:

EMG Sensor               6343

AO Pin 1                     AI0+ Pin 11

0V Pin 3                      AI0- Pin12

0V Pin 3                      AI GND              This may or may not be necessary/ you might need a bias resistor here to reduce noise.

Double check with your actual device to make sure that I have got the right pinouts.

 

This will allow you to take differential measurements of your sensor

Niatross_0-1597126319535.png

Actually taking the measurements you can either use MAX (Go to your device and press create task) or using LabVIEW to create your own program.

 

If you are going to do the latter I suggest having a read of how to use the DAQmx functions.

https://www.ni.com/en-gb/support/documentation/supplemental/06/getting-started-with-ni-daqmx--basic-...

 

0 Kudos
Message 2 of 3
(2,677 Views)

Dear Niatross,

Thank you so much for helping me out. Taking your advice, I've managed to figure out how to 

set up the system. Also, the website on how to use DaQmx functions was also very helpful:)

Thank you so much!

0 Kudos
Message 3 of 3
(2,634 Views)