ni.com is currently undergoing scheduled maintenance.

Some services may be unavailable at this time. Please contact us for help or try again later.

LabVIEW

cancel
Showing results for 
Search instead for 
Did you mean: 

Creating an Array of Rings Programmatically

Solved!
Go to solution

Hello GerdW,

 

My mistake, I couldn't make myself clear enough. There is not any problem for me to set properties of a individual combobox. Actually, I want to set properties of a combobox inside a cluster. The problem happens when I try to transfer the items in combobox-with-values into a cluster.In next step, I will create an array of clusters...

 

asd.png

 

Sure I have a wrong estimation here. But I don't have any other way of thinking to do that at the moment Smiley Indifferent

 

Thanks,

 

Palazzo

0 Kudos
Message 21 of 35
(4,136 Views)
Solution
Accepted by topic author Palazzo

Hi Palazzo,

 

In next step, I will create an array of clusters...

In an array all elements share the same properties, so alll your comboboxes will have the very same string selections…

 

I can set combobox strings, when the box is in a cluster. See attachment…

Best regards,
GerdW


using LV2016/2019/2021 on Win10/11+cRIO, TestStand2016/2019
Message 22 of 35
(4,133 Views)

Hallo GerdW,

 

This is working, actually this was what I needed in the first place. Since local variables of controls, which are put in the cluster, disappear; I was thinking that property nodes would do same.

 

Thanks a lot!

 

BR, Palazzo

0 Kudos
Message 23 of 35
(4,112 Views)

Hi Palazzo.

I just created the sofrware for RIGOL DS1104ZS in LV 2011, os win 8.1.  Pictures illustrate what I had in mind.

 Anyway, thank You for your the spent time.

I am not an expert in LV.

Jaror.

Download All
0 Kudos
Message 24 of 35
(4,096 Views)

Hello JAROR,

 

You really should post this one on your topic. I remember that you already had one for your questions; and there are lots of people helping people who asked their questions in their own topics or in related ones.

 

Cheers,

 

Palazzo

0 Kudos
Message 25 of 35
(4,094 Views)

Hi Jaror,

 

what's wrong with my answer in message #10?

Best regards,
GerdW


using LV2016/2019/2021 on Win10/11+cRIO, TestStand2016/2019
0 Kudos
Message 26 of 35
(4,093 Views)

OK, no problem, I just wanted to say that my problem is resolved. Surely I will contact you with other some problems.

Thank you.

Jaror.

0 Kudos
Message 27 of 35
(4,087 Views)

Palazzo wrote:

Thanks for the reply. I would be really interested in your new study about this tables, so please post it here if this is also OK for you. 

 

Making it big seems a good idea to eliminate clicking the "right spot".


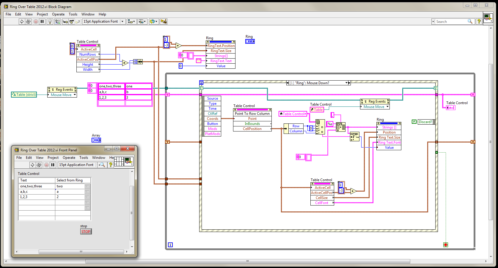
Here's a quick attempt. It's a bit hacked together so it's not as visually pleasing (code or front panel) as it could be, but it demonstrates the idea. There's a two-column table. The first column has a list of options separated by commas; when you click anywhere in the second column, you get a drop-down list of the options from the first column. The drop-down arrows are just for aesthetics; I used a disabled array of pict rings and you could definitely make it look better. There's one funny visual effect - looks like it's due to text anti-aliasing - that occurs when you drop down the ring but select the same value that was already selected. I'm sure there's a way to work around it but I don't have time to figure it out right now and it's not that noticeable. Let me know if you have questions or if you find it helpful.

Ring Over Table.png

Message 28 of 35
(4,061 Views)

Hello Palazzo.
Thank you very much for your help.
My block diagrams is not very nice too. I have LV 2011, so I can not open your file. But it is not problem. I am resolved my problem now. I am improving my software continously. Step by step.  I think, I will have other questions.
I send you my softvawre, just for example. I'm happy with him.

Thanks.

JaroR

Download All
0 Kudos
Message 29 of 35
(4,051 Views)

JaroR - PLEASE stop posting to this thread. It has nothing to do with your question. You aren't keeping track of who is writing what, nor whether it's even related to your needs. I think in the post above you're referring to the VI I posted earlier today, which was NOT posted by Palazzo and was not intended to help you. You may want to unsubscribe from this thread so that you stop receiving notifications about new messages in it.

0 Kudos
Message 30 of 35
(4,046 Views)