ni.com is currently undergoing scheduled maintenance.

Some services may be unavailable at this time. Please contact us for help or try again later.

LabVIEW

cancel
Showing results for 
Search instead for 
Did you mean: 

Controlling A Case Structure with String Numbers.

Solved!
Go to solution

@Hobbs23 wrote:

 

That is why I receive one byte at a time.


Still, all you need is reading the available bytes at once. No inner loop needed. If they are partial data, use a shift register in the outer loop to append the strings of multiple reads.

0 Kudos
Message 31 of 36
(1,637 Views)

Thanks everyone for your responses

 

I will try those suggestions you all mentioned, as well as uploading a vi. Although it may be equally difficult to troubleshoot without the device I am trying to communicate with.

 

Would it help to send a page of visa trace traffic?

 

Lastly, the delay is so I can watch all this in real time on the string indicator. Any faster, and it is just a blur.

0 Kudos
Message 32 of 36
(1,635 Views)

How are you going to parse a long string of data to get the information that you need from it?  Is the response from the device always the same length, maybe padded with 0's?  If that is the case, read the data in chunks, as has already been mentioned, with the number of bytes set to the length of the expected response.  If the response is always a different length and there is no termination character, good luck to you.  I'm not sure how you would parse an unknown message format.

aputman
0 Kudos
Message 33 of 36
(1,635 Views)

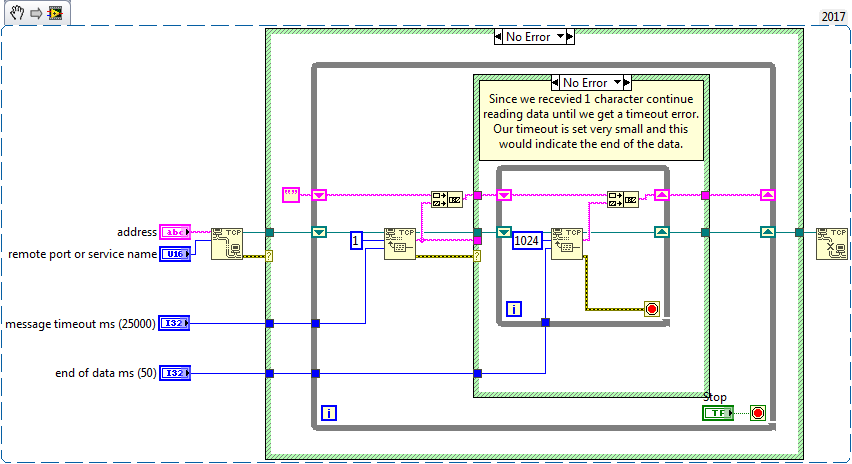
Here is an example of reading blocks of data with no termination character. The message is determined to have been read completely when the short timeout occurs. THis would indicate a space between different sets of data.

 

Bulk read with no termination.png

 

As for displaying the data I would have a separate loop handle the UI stuff. Use a queue to post the data read from the connection to the UI loop. Have the UI loop update the display once a second or whatever interval you want.



Mark Yedinak
Certified LabVIEW Architect
LabVIEW Champion

"Does anyone know where the love of God goes when the waves turn the minutes to hours?"
Wreck of the Edmund Fitzgerald - Gordon Lightfoot
0 Kudos
Message 34 of 36
(1,631 Views)

Thanks Mark_Yedinak

 

there looks to be some real meat to your comments that will take me a bit of testing to even understand. Especially intriguing, is to only worry about the error on the first read but not the latter ones. 

 

I will revisit that. Maybe over the modifications I am in a different place to understand the responses of not only the Labview code, but the way the unit under test communicates.

Thanks!

0 Kudos
Message 35 of 36
(1,630 Views)

@Hobbs23 wrote:

Thanks Mark_Yedinak

 

there looks to be some real meat to your comments that will take me a bit of testing to even understand. Especially intriguing, is to only worry about the error on the first read but not the latter ones. 

 

I will revisit that. Maybe over the modifications I am in a different place to understand the responses of not only the Labview code, but the way the unit under test communicates.

Thanks!


Understand that my example is very basic. Normally when I do this I do check for errors on the inner read. I only ignore timeout errors. Other errors such as the connection has been closed or similar types of things are handled gracefully. Though in the case above the initial read will catch those as well.



Mark Yedinak
Certified LabVIEW Architect
LabVIEW Champion

"Does anyone know where the love of God goes when the waves turn the minutes to hours?"
Wreck of the Edmund Fitzgerald - Gordon Lightfoot
Message 36 of 36
(1,628 Views)