LabVIEW

cancel
Showing results for 
Search instead for 
Did you mean: 

Animation using pict ring

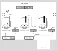
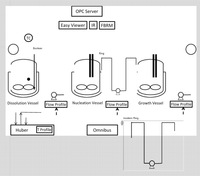
I would like to animate flows between equipment in a chemical process. I am trying pict ring as shown in the attached vi. The ring control will eventually have two pictures with different colors for lines. When I place the ring on the process flow diagram the ring border hides the underlying picture. I have made the edge transparent. When I try to make the background transparent, the entire ring disappears. Is there a way to make the flow diagram appear through the ring? I am using Labview 2020.

Thank you. 

Girish Joglekar

Download All
0 Kudos
Message 1 of 6
(2,381 Views)

@girish53 wrote:

 When I try to make the background transparent, the entire ring disappears. Is there a way to make the flow diagram appear through the ring? I am using Labview 2020.


I am afraid the transperency information is getting lost when copy and pasting the image from image to clipboard to ring control

 

0 Kudos
Message 2 of 6
(2,346 Views)

Looks like you can't do that with  picture ring, nor with a picture control.  But there are other options.

  • If you need only 2 images, you can customize a boolean indicator.
  • If you only need lines, you could resize a borderless colorbox to be long and thin.
  • Another thing you could do is use clusters (each with a hidden control), having a transparent background, and drop an image onto the cluster (see attachment).  Then change the visibility of the clusters as needed.
  • You could just have a set of decorations on the FP and change there visibility using my "Decoration Reference.xnode" (attached).

 

0 Kudos
Message 3 of 6
(2,323 Views)

I used a LabVIEW classic picture ring control and set it transparent BEFORE importing the images and it worked.

I also dragged the images that had some transparency onto the front panel of the VI before copying them and  pasting them to the ring.

I found in the past that importing directly from a file would sometimes lose the transparency but copying from the front panel did not.

 

You can test this by creating some decorations on the front panel and copying and pasting them into the ring.

 

I sometimes create decorations in Powerpoint, right click them and "Save as picture", then drag the saved images to the VI front panel (good for creating custom buttons).

Message 4 of 6
(2,305 Views)

@jjohn1 wrote:

I used a LabVIEW classic picture ring control and set it transparent BEFORE importing the images and it worked.

 


 In the following I set the picture control background to pink

 


@jjohn1 wrote:

 

I also dragged the images that had some transparency onto the front panel of the VI before copying them and  pasting them to the ring.

I found in the past that importing directly from a file would sometimes lose the transparency but copying from the front panel did not.

 


this is a very well observation

which is  applicable for the classic palette, but also the modern palette

Spoiler
alexderjuengere_1-1695211014004.png

 

 

0 Kudos
Message 5 of 6
(2,279 Views)

@alexderjuengere wrote:


I am afraid the transperency information is getting lost when copy and pasting the image from image to clipboard to ring control

 


but the transperency information is preserved when the image is copied via drag and drop onto the frontpanel and from there into the picture ring

 

white is transperent in picture ring  image  alexderjuengere_1-1695211531997.png

 

black is transperent inpicture ring image alexderjuengere_2-1695211575030.png

 

no transperent color in image blacl-white-images alexderjuengere_3-1695211650857.png

 

 

 

I use IrfanView to save the transperent image

Download All
0 Kudos
Message 6 of 6
(2,273 Views)