LabVIEW

cancel
Showing results for 
Search instead for 
Did you mean: 

Active X for VLC player

Solved!
Go to solution

Hello,

 

Recently I want to get the Livestream from a camera. I have successfully got the the livestream with Python and VLC media player. I want to get the livestream in LabVIEW. So I think I can use the Active X for the VLC media player to get it.

 

But problem is that I have installed the VLC media player. But in the object list of the Active X, there is no correspondent object for the VLC media player. Does anyone know the reason?

 

Best regard

0 Kudos
Message 1 of 11
(25,103 Views)
Message 2 of 11
(25,082 Views)

Hello TUDarmstadt LLX,

 

you have to install the corresponding plugin during the installation of the VLC Player:

VLC Active X.PNG

 

 

Afterwards you can use the ActiveX Container or the ActiveX Automation Open to create a reference you can use:

 

ActiveX Container:

ActiveX Control.PNG

 

ActiveX Automation Open:

ActiveX Automation Open.PNG

 

 

Since i recently created an example code snippet i have attached this too:

ActiveX Snippet.png

 

Cheers

Fabian Wehnekamp
Senior Technical Support Engineer
National Instruments
Message 3 of 11
(25,039 Views)

Hi Fabian,

 

I have done as what you write, but I still can not find the object for the VLC media player.

 

Best regard

0 Kudos
Message 4 of 11
(25,032 Views)
Solution
Accepted by TUDarmstadtLLX

Hi,

 

most likely you are using Lv 32 Bit and installed VLC 64bit, which in this case is not compatible.

Try to install the 32 bit version of vlc.

 

cheers

Fabian Wehnekamp
Senior Technical Support Engineer
National Instruments
Message 5 of 11
(25,029 Views)

Hi,

 

I have found the object for VLC media player, but for the invoke node, there is only one item with the name "getVersioninfo". There is no methed for add target and play item. Do you know why?

 

Best regard

0 Kudos
Message 6 of 11
(25,018 Views)

Hey,

 

can you attach the vi which does not work?

 

cheers

Fabian Wehnekamp
Senior Technical Support Engineer
National Instruments
0 Kudos
Message 7 of 11
(25,016 Views)

hello,

Is it possible with LV2015 ?

Thank's

0 Kudos
Message 8 of 11
(22,835 Views)

it's ok, I found the Active panel Smiley Happy

0 Kudos
Message 9 of 11
(22,829 Views)

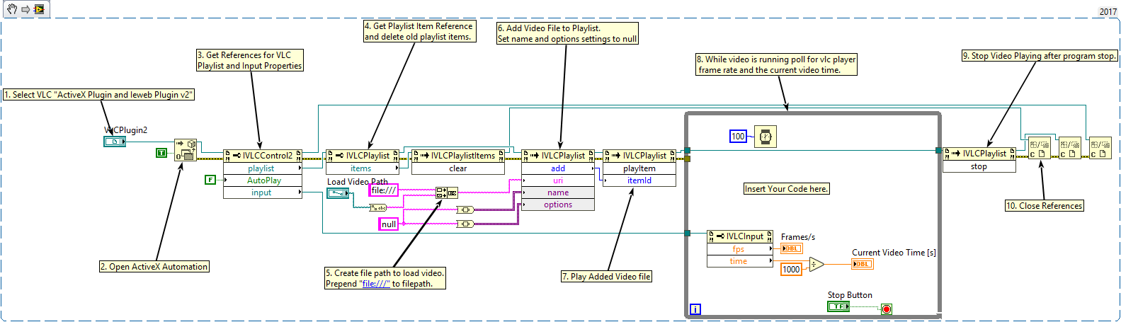
Hi Fwehne,

 

I duplicated the code you have shown to us. However, nothing happens. I wonder will you be able to tell the reason why?

I also tried with Windows Media Player, which works.

I have gone through some of the examples in this link:https://forums.ni.com/t5/Example-Program-Drafts/VLC-scripting-in-LabVIEW/ta-p/3515450?profile.langua...

I am not sure what they want to achieve, but the tool seems to be the dynamic link library rather than ActiveX.

I wonder if VLC ActiveX is functional or not in LabVIEW.

image.png
Kind regards,

Hao

0 Kudos
Message 10 of 11
(18,920 Views)