ni.com is currently undergoing scheduled maintenance.

Some services may be unavailable at this time. Please contact us for help or try again later.

LabVIEW

cancel
Showing results for 
Search instead for 
Did you mean: 

2D Galvanometer scan protocol

Solved!
Go to solution

HI members,

 

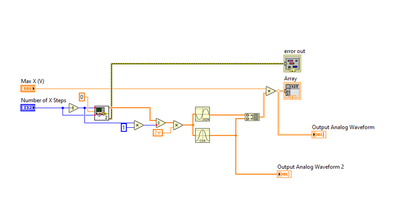
I have a question regarding controlling a 2d galvo mirrors for creating a circular scan pattern with continuous changing concentric circles. Currently the galvo scans only for one circle, which I need to modify for many concentric circles. Attached is the screenshot of the subVI. I am beginner level experience with LabView.

 

All ideas or comments are welcome, thanks!

 

guptaa29_0-1692894510345.png

 

0 Kudos
Message 1 of 2
(1,394 Views)
Solution
Accepted by topic author guptaa29

you can use a for loop. If your code generates waveforms for 1 circle, enclosing the code on a for will generate several circles. 

0 Kudos
Message 2 of 2
(1,387 Views)