Instrument Control (GPIB, Serial, VISA, IVI)

cancel
Showing results for 
Search instead for 
Did you mean: 

Rigol 1054 via LAN

Hello All,

 

I am trying to connect rigol 1054z oscilloscope with labview via LAN.

I downloaded rigol driver and example.

When DC voltage is measured, there is inverted value on labview.

Please check attachment.

Can someone get hint how to solve this?

 

Thanks.

0 Kudos
Message 1 of 3
(4,172 Views)

When I try to install the dgds1k driver, the DS1054Z is not part of the models supported.

electricsanto_0-1575884211048.png

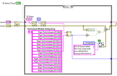
Based on the initialize the ID Query? should throw error since DS1054Z is not part of the supported instrument module.

electricsanto_1-1575884520760.png

In the fetch waveform, there are many scaling operations and instrument model specific (stored in user data) occurring, if the model is not handled, you may see the weird behaviors

electricsanto_2-1575884763625.png

Santhosh
Soliton Technologies

New to the forum? Please read community guidelines and how to ask smart questions

Only two ways to appreciate someone who spent their free time to reply/answer your question - give them Kudos or mark their reply as the answer/solution.

Finding it hard to source NI hardware? Try NI Trading Post
0 Kudos
Message 2 of 3
(4,075 Views)

Here is the manual that describes the commands and formatting for controlling your instrument.  It follows the standard SCPI protocol and should be easy to perform using the LabVIEW VISA (Open, Write, Read and Close) primitives to get the desired functions and responses.

Help the Community (and future reviewers) by marking posts as follows:
If it helped - KUDOS
If it answers the issue - SOLUTION
0 Kudos
Message 3 of 3
(4,065 Views)