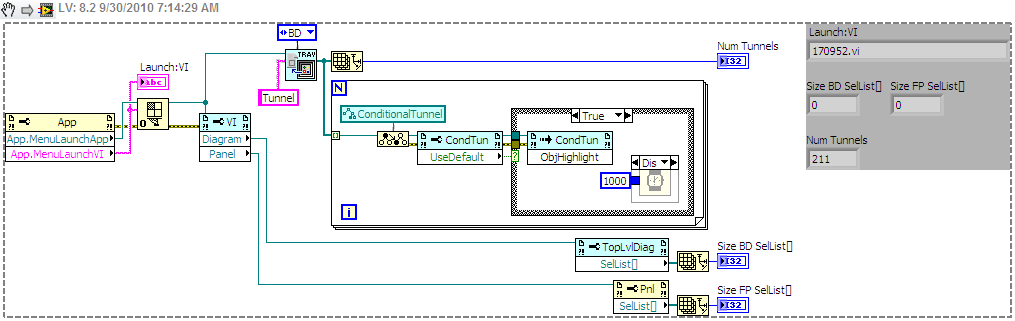
I keep this VI in my <LabVIEW>/projects folder so I always have a handy starting point for scripting. This morning I had a need to find tunnels with "Use Default If Unwired" selected, so I started with my "springboard" (I poached the name from here), changed the String Constant and added the For Loop (and found that my problem isn't related to an unwired tunnel returning its default value after all.)
I'll probably not need to do this very often (or I'd make a JKI RCF or QD plugin), but with this in my project folder as a starting point, I'll always have a handy tool to programmatically inspect a VI on-the-fly. I just open it and add/delete code as my need dictates.

Jim
You're entirely bonkers. But I'll tell you a secret. All the best people are. ~ Alice
For he does not know what will happen; So who can tell him when it will occur? Eccl. 8:7
