Real-Time Measurement and Control

cancel
Showing results for 
Search instead for 
Did you mean: 

cRIO control under FPGA performance degrade after executing several times

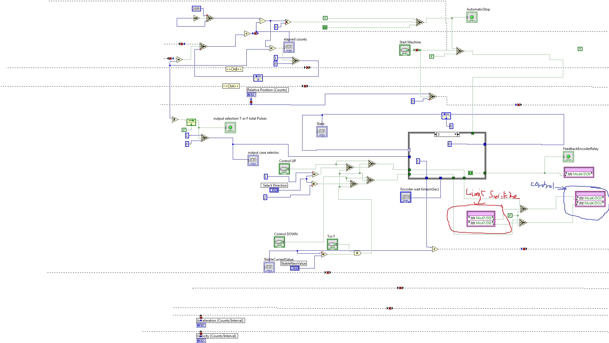
Hello, guys, I am newbie on labview. I have labview code running on CRIO 9073. The program run properly to go UP and DOWN stopping at limit switches(see pic circle red below) only for limited number of tries. After several tries, it start not responding quickly on time to limit switches. The controls (see pic circle blue below) are criticals(should respond faster than ever) and need to be deactivated when limits reached . The programr runs continously in while loop  under FPGA. 

cRIO_9073_FPGA_Question.jpg

Thanks

Kodj

0 Kudos
Message 1 of 1
(2,495 Views)