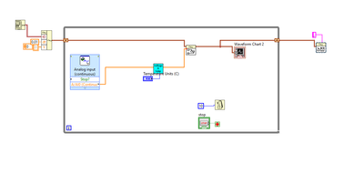
hi everyone, I am modifying the temperature measurement vi project from ELVIS II to ELVIS III. I can display data in a waveform, but why can't I save the data to a spreadsheet/excel file? Below, I attach my block diagram. Please help, is my block diagram wrong, or is there another procedure for exporting data files in ELVIS III?
Thanks.
