Multisim and Ultiboard

cancel
Showing results for 
Search instead for 
Did you mean: 

4-bit magnitude comparator

Solved!
Go to solution

Having trouble understanding how the 4-bit comparator works. I am trying to compare the binary 4 bits of "A" to the 4 binary bits of "B". I never get the A=B probe to light. What am I doing wrong,..or will this not work. I get the A<B and the A>B but never the A=B. I just added probes to the schematic to try and figure this out for another project Im working on. 

0 Kudos
Message 1 of 3
(8,454 Views)
Solution
Accepted by topic author jyaden

Hi jyaden

 

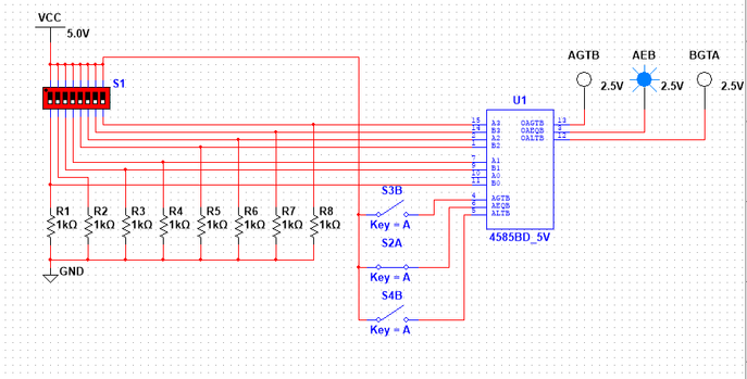
I was looking at your file and I noticed that you have pins 4, 5, and 6 connected as outputs. According to the Datasheet the truth table below, pins 4, 5 and 6 are inputs. 

Capture99.PNG

 

 

You should try something like this. 

Capture100.PNG

 

 

 

 

 

0 Kudos
Message 2 of 3
(8,416 Views)
Solution
Accepted by topic author jyaden

Perfect,...Thanks so much...very helpful

0 Kudos
Message 3 of 3
(8,412 Views)