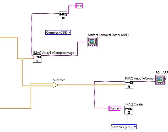
I am trying to remove artifacts from an image FFT, first I import an image from file and FFT it (lets call it FO), then I do some manupulations on the image and create an artifact removal array (say ARF),  both FO and ARF are complex arrays of same size (512,512). Now I subtract FO from ARF (FO-ARF) but the result is a bit odd it seems more like FO+ARF. Is this the right way to subtract two complex arrays in LabView? Or is there somthing else wrong with the code? (I have attached the VI and the image I used, the image path in the VI needs to be modified to run it and the size of the image must be 512x512)
 

