LabVIEW

cancel
Showing results for 
Search instead for 
Did you mean: 

dynamic data to database

Solved!
Go to solution

Hi, I'm trying to send dynamic data to a database in microsoft access, but I'm having troubles becuase no matter how many points I send it always appears the same number in my database.

 

I'm new in all this database with labview and I can't figure out how to send all the points of my dinamic signals.

 

Greetings and thanks!!!

 

Block diagram.png

0 Kudos
Message 1 of 8
(4,787 Views)

I'm thinking that your problem lies in the fact that you're converting your dynamic data to a single scalar.  The Simulate Signal Express VIs make the same data each time you run them, and you're only taking (the same) one point from all of it.

Jim
You're entirely bonkers. But I'll tell you a secret. All the best people are. ~ Alice
For he does not know what will happen; So who can tell him when it will occur? Eccl. 8:7

0 Kudos
Message 2 of 8
(4,760 Views)

Thanks for replying jcarmody.

 

The problem is when I convert the dynamyc signal to an array, the database can´t read it because only accept strings and I don't know how to make my database read that array.

0 Kudos
Message 3 of 8
(4,750 Views)
Solution
Accepted by topic author Rolando-stc

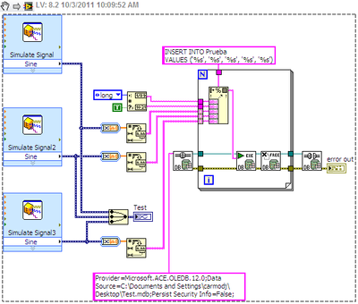
My first thought was to write each point in a For Loop, like this:

Example_VI_BD.png (by the way, attach your VI next time)

 

My next thought was to convert the array into a spreadsheet string and store one waveform measurement in one database record.  I expect this would be faster because there's only one SQL INSERT happening.

Example_VI_BD.png

Jim
You're entirely bonkers. But I'll tell you a secret. All the best people are. ~ Alice
For he does not know what will happen; So who can tell him when it will occur? Eccl. 8:7

0 Kudos
Message 4 of 8
(4,744 Views)

thank you so mucho jcarmody, it works perfectly 🙂

0 Kudos
Message 5 of 8
(4,717 Views)

You're welcome.  Which one?

Jim
You're entirely bonkers. But I'll tell you a secret. All the best people are. ~ Alice
For he does not know what will happen; So who can tell him when it will occur? Eccl. 8:7

0 Kudos
Message 6 of 8
(4,709 Views)

the first one because the second one also gave me all the values but in a single cell

0 Kudos
Message 7 of 8
(4,694 Views)

You should be able to modify JC's first to build 1 query instead of inserting line by line, assuming the total isn't too long. You can also simplify it slightly by using the Insert-vi.

 

/Y

G# - Award winning reference based OOP for LV, for free! - Qestit VIPM GitHub

Qestit Systems
Certified-LabVIEW-Developer
0 Kudos
Message 8 of 8
(4,683 Views)