02-08-2010 09:12 AM
Hi
I do have a question regarding the zooming with the ROI-tools. If I aquire (Vision Aquisition2) automatically stored images I would like to change the zoom factor interactively. If I am using the ROI tools
of the displayed image the ROI-tools are not working and seems to be de-activated. How can I activate the zooming-tool during the image aquisition?
Is it possible to have an "image in image"-picture whereby the first image shows 100% and the second image for example only 40%? I assume I could therefore use the IMAQ Wind-library.
With the "IMAQ wind draw" I unfortunately get always a extra window with the zoomed image. How can I avoid this and set the zoomed window directly into the existing first image?
thanks
02-09-2010 08:00 AM
Hi Norick,
I am not sure if I got your questions right..
Are you saying that you cannot use the ROI tools or zoom tools while you acquire images and display them?
I cannot see how the ROI or zoom tools are deactivated during acquisition. This is not the case on my PC.
If you want to have an image in image then the simplest way is to have a second image display connected to
the same image that you already display. You can resize the new image display to be small and hide the ROI toolbar,
label and scrollbars. It will look somewhat like this:
Here is the simple block diagram:
Please let me know if this answers your questions or if I got you wrong.
Best regards,
David
02-09-2010 09:40 AM
Hi David
you got exactly the point I was asking for. The image in image is working in the way I was looking for - too simple to be true 🙂
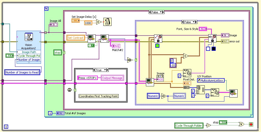
The other point about the zooming during the aquisition is still not working correctly as I already mentioned. Below you can see a
screenshot of the while-loop:

Do you see where the problem is..?
thanks for your answer
Norick
02-10-2010 01:47 AM
Hi Norick,
are you trying to zoom and set a ROI using the toolbar on the left of the front panel's image display or
do you want to perform those actions programatically?
From your loop I can see that you set the ROI programatically through a property node.
This is OK but if you run your loop fast you will have no chance to change the ROI through the toolbar.
Otherwise there should be no reason why the tools would be deactivated.
If you can post your VI I will try it out here on my PC. What version of LabVIEW and Vision Development Module are you using?
What is your Vision Acquisition version? You can see all this in MAX's Software category.
Best regards,
David
02-10-2010 09:38 AM
Hi David
I am using following SW versions:
- NI Vision 9.0
- LabView 2009
What I am trying to do is following thing. A part of my front-panel looks like this:
As you can see I can activate the zoom-tool (top left corner). Now, during the image aquisition I would like to zoom in to the image while the aquisition is still running (loop) while the ROI is set programatically. I do not set the ROI on my front panel. The problem is that there is no access (I only can select it) to the zoom tool on my front panel, meaning that it has no effect (no zooming) while the aquisition is running. Even I set an "image delay" there is no chance to use the zooming.

Is it because I am still in the loop or...?
-> Unfortunately I can not send you all vi's.
thanks
02-11-2010 12:56 AM
Additional note:
- I am running the described loop in a event-case. The even-case itself the "lock front-panel" is not set. It seems that the whole event or loop is blocked for
any action I do on the front-panel. I also can not use the scrollbars of the image neither to select any ROI tools. Everything is "disabled" for interaction.