LabVIEW

cancel
Showing results for 
Search instead for 
Did you mean: 

Timing with Elapsed Time and dynamic event handling

Hello everyone,

 

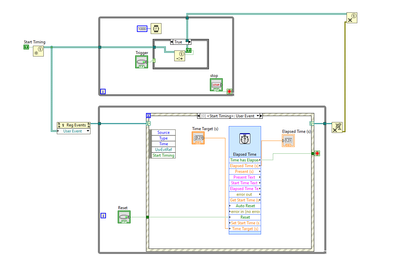
I am trying to time a VI with the Elapsed-Time-ExpressVI. I am trying to do it dynamic event handling, as can be seen in the example provided below. the following things do I not understand:

 

When I start the time, let it run e.g. 5s, then turn "Trigger" to false, wait for 3s, turn "Trigger" back to True, the indicator shows 8s. So the Express-VI didnt stop counting when I turned the switch of. I can understand why that happens, but I don't how how to fix it.

Second thing I would like to ask: how can I reset the timer after it expired? When the time has expired once, the loop with the event-structure gets stopped. But since this Stop does not change when I press the Trigger agein, the timing-loop cant be started. So again, I understand the logic why i doesnt work, but I dont know how to fix it.

 

I  hope my explaination of the problem was clear enough and I am looking forward to your suggestions. Thank you in advance!

 

lempy_0-1627372035346.png

 

0 Kudos
Message 1 of 3
(2,169 Views)

Also I noticed a mistake:

 

Theres a True-Boolean wired to Reset. This is an old version which obviously does not work. Below you can see the my latest attempt.

 

lempy_0-1627372225642.png

 

0 Kudos
Message 2 of 3
(2,168 Views)

Crosspost from German www.labviewforum.de!

 

Hi lempy,

 

please indicate crossposts on your own!

Es wäre auch schön, wenn du dort auf unsere Vorschläge (von Martin und mir) eingehen würdest…

Best regards,
GerdW


using LV2016/2019/2021 on Win10/11+cRIO, TestStand2016/2019
0 Kudos
Message 3 of 3
(2,156 Views)