LabVIEW

cancel
Showing results for 
Search instead for 
Did you mean: 

Start Multiple DIAdem Versions from LabVIEW

Hello,

 

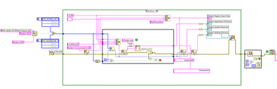
on my PC are installed two different DIAdem Versions (2012 and 2020). I want to start specified Version programmatically from LabVIEW (2017). First part of the Code open selected Version, but I need the DIAdem reference to communicate with DIAdem (run scripts...). When I use DIAdem open reference.vi i get only the reference of DIAdem 2012. How can I switch to the DIAdem reference that I need?

 

Thanks.

ps_cc_0-1600423561008.png

 

0 Kudos
Message 1 of 2
(1,350 Views)

Hello ps cc,

 

If you trying to refer to DIAdem 2020 version with LabVIEW 2017, it wouldn't work. You should use the 2020 version of LabVIEW

 

Regards

0 Kudos
Message 2 of 2
(1,272 Views)