LabVIEW

cancel
Showing results for 
Search instead for 
Did you mean: 

Problème graphe en temps relatif

Solved!
Go to solution

Bonjour,

 

J'ai crée un VI d'acquisition de tension avec un port USB NI9219 qui mesure différentes tension d'entrée à une fréquence élevée(ex : 100 Hz). De plus mon VI enregistre les mesures que lorsque la tension mesurée change de 0,01v. Le VI trace également les courbes de tension dans un graphe déroulant qui comporte tous les points enregistrés (et seulement ceux la) depuis le lancement de l'application.

 

C'est sur ce point que je n'arrive pas à avoir un graphe déroulant avec plusieurs courbes (4 maximum) avec une échelle des x en temps relatif. C'est à dire de t=0 (ex : minutes) jusqu'a t=fin du VI

 

Lorsque je met les x en temps relatif il ne me met pas de temps mais des valeurs abérantes. De plus il n'incrémente pas du temps éffectué entre 2 mesures, il incrémente le temps de 1.

(ex : on a t=5min entre 2 mesure enregistrées mais la courbe incréménte le temps de 1 sur la valeur abérante).

 

Avez vous des solutions pour mon problème. Merci.

 

Cordialement.

 

0 Kudos
Message 1 of 9
(4,069 Views)

Bonjour, 

 

Afin de mieux vous aider, pouvez joindre votre projet ou un code d'exemple afin de mieux comprendre comment le VI a été réalisé.

 

Merci,

Christophe S.
Account Manager East of France І Certified LabVIEW Associate Developer І National Instruments France

0 Kudos
Message 2 of 9
(4,054 Views)

Bonjour,

Voici mes codes.

 

"Tension enregistrement multivoi V08.0.vi" vi principale

"Tracage de la courbe en continue.vi" sous vi du graphe

0 Kudos
Message 3 of 9
(4,050 Views)

Re-bonjour, 

 

Il est fort probable que le probléme provienne du sous-VI "Tracage de la courbe en continue.vi" qui n'inclut pas l'historique temporelle des courbes. Pourquoi ne pas utiliser directement un graphique déroulant dans lequel vous spécifié une longueur d'historique permettant d'afficher tous vos points (click droit sur le graphique, puis longueur d'historique). Ci-joint un exemple réalisant cela.

 

Cordialement,

Christophe S.
Account Manager East of France І Certified LabVIEW Associate Developer І National Instruments France

0 Kudos
Message 4 of 9
(4,043 Views)

Re-bonjour,

 

Votre solution semble beaucoup plus simple au niveau du graphique, merci.

 

Mais j'ai toujours le même soucis. Mon graphe ne commence pas à t=0 mais à t=952500:36:41 dés que je lance mes mesures.

 

Voici ce qui me donne avec votre solution.

0 Kudos
Message 5 of 9
(4,040 Views)
Solution
Accepted by topic author axa-stenman

Cette valeur correspond à l'heure de la mesure, 952500:36:41 correspondant à 14h36 et 41s.

Cela permet d'horodater les points plus précisément.

 

Si vous souhaitez recréer votre échelle de temps en X, il faudra modifier le T0 de votre courbe.

Pour cela vous allez devoir utiliser la fonction Construire une waveform permettant d’insérer votre courbe et aussi de modifier le t0, on insère cette fonction dans une boucle For afin de traiter les 4 courbes.

 

Au départ du VI on initialise un registre à décalage à 0 afin que nos premiers points commencent à 0, puis on devra multiplier l’horloge d’échantillonnage par le nombre de point afin de définir le t0 des tours de boucles suivants.

 

Sans titre.png

Cela devrait résoudre votre probléme.

Cordialement

Christophe S.
Account Manager East of France І Certified LabVIEW Associate Developer І National Instruments France

0 Kudos
Message 6 of 9
(4,034 Views)

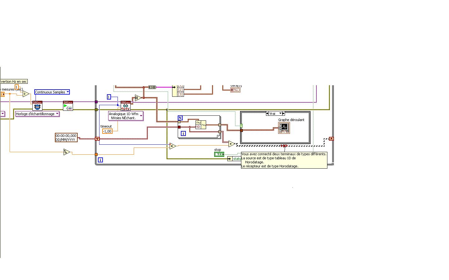
J'ai un autre soucis, Labview me dit que je ne peux pas associer un tableau 1D d'horodatage avec un horodatage.

Sans titre2.JPG

0 Kudos
Message 7 of 9
(4,029 Views)

Autant pour moi je me suis trompé. Je n'avais pas enlevé l'indéxation du tunel.

 

0 Kudos
Message 8 of 9
(4,027 Views)

La solution que vous m'avez donné me convient parfaitement.

Merci beaucoup pour votre aide.

 

Cordialement

0 Kudos
Message 9 of 9
(4,019 Views)