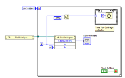
I have discovered that LabVIEW 2025Q3 has a .NET memory leak. It doesn't matter which method you call from any class, a few kilobytes are lost every time. When large amounts of data are transferred during the method call, it happens faster, but the underlying problem remains.
I tried explicitly calling the garbage collector in .NET, but that didn't help. Within a few minutes, the memory in LV2025Q3 32-bit fills up and an error message (Memory full) appears.
=> Memory leak of approximately 4.2 kB per call (current example)
I borrowed the example from a forum member who demonstrates the problem using a very simple example. (https://forums.ni.com/t5/LabVIEW/net-8-labview-2025/m-p/4433787)




a few minutes later.....

Is there a workaround, or will NI consider this a bug?
=> I did not observe the same behaviour with .NET Framework....
Claude
CLA / CTD