LabVIEW

cancel
Showing results for 
Search instead for 
Did you mean: 

I'm trying limit dynamic range of image.

Hellow.

 

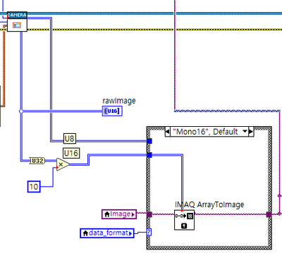
I'm using non-IMAQ 16-bit grayscale camera.

It using excelitas custom SDK, and it returns U16 image(Thick blue line).

I'm trying to make custom limit on dyamic range. 

Below picture is the my method.

wsw_98_0-1721114472072.png

However, an integer overflow occurs when typecasting from U32 to U16.
Before typecasting, I'm asking if there's a method to replace all values greater than 65535 with 65535 or if there are other dynamic range limiting methods available.

 

 

Thank you.

 

0 Kudos
Message 1 of 2
(650 Views)

@wsw_98 wrote:4

I'm trying to make custom limit on dyamic range. 

 


Can you elaborate what you mean with this?

 

Your code makes no sense. Why are you casting a U16 image to U32, increasing the range by multiplying by 10 and then effectively casting to U16 using IMAQ array to image?

0 Kudos
Message 2 of 2
(625 Views)