LabVIEW

cancel
Showing results for 
Search instead for 
Did you mean: 

DATA ACQUISITION ISSUE IN PROGRAM

Hi all,

 

i trying to make a data acqusition loop  for realtime pump on-off control.

in this i am facing a issue, in the daq loop the log data .csv file is continues but tis stops updating the clock of my 3504 eurotherm controller tag in labview ..can anyone pls help me out ..

sanvish_1-1678177740605.pngsanvish_2-1678177786173.png

the output is as below

 

VACUUM PUMP ON/OFF STATUS
"CLOCK TIME " "ON DAY " "OFF DAY " "ON TIME " "OFF TIME " PUMP STATUS
16:11:01 FRIDAY FRIDAY 16:10:00 16:12:00 ON
16:11:01 FRIDAY FRIDAY 16:10:00 16:12:00 ON
16:11:01 FRIDAY FRIDAY 16:10:00 16:12:00 ON
16:11:01 FRIDAY FRIDAY 16:10:00 16:12:00 ON
16:11:01 FRIDAY FRIDAY 16:10:00 16:12:00 ON
16:11:01 FRIDAY FRIDAY 16:10:00 16:12:00 ON
16:11:01 FRIDAY FRIDAY 16:10:00 16:12:00 ON
16:11:01 FRIDAY FRIDAY 16:10:00 16:12:00 ON
16:11:01 FRIDAY FRIDAY 16:10:00 16:12:00 ON
16:11:01 FRIDAY FRIDAY 16:10:00 16:12:00 ON
16:11:01 FRIDAY FRIDAY 16:10:00 16:12:00 ON
16:11:01 FRIDAY FRIDAY 16:10:00 16:12:00 ON
16:11:01 FRIDAY FRIDAY 16:10:00 16:12:00 ON
16:11:01 FRIDAY FRIDAY 16:10:00 16:12:00 ON
16:11:01 FRIDAY FRIDAY 16:10:00 16:12:00 ON

0 Kudos
Message 1 of 8
(2,649 Views)

Add the vi

Looks like something off screen

0 Kudos
Message 2 of 8
(2,641 Views)

Hi sanvish,

 


@sanvish wrote:

in this i am facing a issue, in the daq loop the log data .csv file is continues but tis stops updating the clock of my 3504 eurotherm controller tag in labview ..


Your "logging loop" only writes the same data again and again!

Reason: you don't "OBEY DATAFLOW!"

 

When you want to log "realtime" data (aka current measurement data) then your logging loop needs to get accesss to current measurement data!

 

What's the purpose of that FOR loop iterating 6 times when you only use the result of the last iteration???

Best regards,
GerdW


using LV2016/2019/2021 on Win10/11+cRIO, TestStand2016/2019
0 Kudos
Message 3 of 8
(2,632 Views)

oops missed to attach

0 Kudos
Message 4 of 8
(2,630 Views)

hi Gred,

 

I just used the same method in the below link for my VI..

https://forums.ni.com/t5/Example-Code/Write-Continuous-Data-to-Spreadsheet-CSV-with-Headers/ta-p/350...

0 Kudos
Message 5 of 8
(2,625 Views)

Hi sanvish,

 


@sanvish wrote:

oops missed to attach


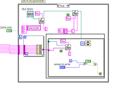
My error analysis is still valid: you don't OBEY DATAFLOW!

 

There is no loop around your huge case structure, but there should be a loop.

And the loop around that logging code needs to be removed!

 

On your VI:

  • Clean up the VI!
  • Use subVIs instead of creating copies of the same code fragments again and again…
  • Remove all those Rube-Goldberg constructs…

@sanvish wrote:

I just used the same method in the below link for my VI..


No, you don't!

In that example the "data generation" and the "data logging" is within the same loop!

Best regards,
GerdW


using LV2016/2019/2021 on Win10/11+cRIO, TestStand2016/2019
0 Kudos
Message 6 of 8
(2,621 Views)

Hi Gerd,

 

Ok will make that ..thank you..

0 Kudos
Message 7 of 8
(2,612 Views)

Hi Gerd,

 

Even after making subVIs,the corrections i made as per the suggestions . now also the data logging is not correct..only the last value is recorded in .csv file.. we need continues recording of data

 

 

sanvish_0-1678358529381.png

 

0 Kudos
Message 8 of 8
(2,555 Views)