ni.com is currently experiencing unexpected issues.

Some services may be unavailable at this time.

キャンセル
次の結果を表示 
次の代わりに検索 
もしかして: 

2D picture control doesn't refresh if it is out of the active screen

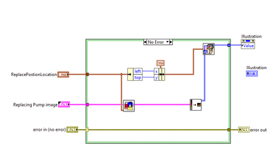
In my application I have used a 2D picture control to display Process illustration in picture based GUI. Based on user events I update the illustration, like when a user turns on a pump, then I replace the grey colored pump picture clip with green color pump picture clip on the illustration. I have to do this some times when Illustration is not visible on the screen(for example user turns on the pump in some other settings window). Then if I come back to the illustration screen, the illustration is not updated(I still see the grey color pump picture though pump is turned on in the Settings screen). In this scenario, I have probed the Illustration.Value input wire and the probe value is green color pump clip is passed to the picture control with proper coordinates.

 

I see this issue when illustration is out of the active screen. If illustration screen is active and visible then I don't see this issue.

 

I have referred this discussion and tried out the suggestions, but did not help.

 

I am using LabVIEW 2021 64bit on Windows 10.

SampleCode.PNG

Has some one experienced this? Please write your suggestions here.

 

Thank you

Adarsh

LabVIEW from 2006

CLA from 2016

 

0 件の賞賛
メッセージ1/2
688件の閲覧回数

Your attached picture does not illustrate the problem. Can you attach a small set of VIs that reproduces the problem so we can test?

0 件の賞賛
メッセージ2/2
631件の閲覧回数