LabVIEW Team Indonesia

cancel
Showing results for 
Search instead for 
Did you mean: 

Excel Laabview

Solved!
Go to solution

mau bertanya, ini kan saya mau save data ke excel. Saya masih buat dasarnya dulu tapi kok eror ya. Mohon bantuannya erornya kenapa. Sepertinya ada yg hilang atau mungkin blok diagramnya ada yg salah.Capture.PNGErorEror

0 Kudos
Message 1 of 7
(3,075 Views)

Boleh kirimkan file VInya, untuk mempermudah analisanya

0 Kudos
Message 2 of 7
(3,061 Views)

Untuk pathnya bisa di random dulu nanti bisa saya ganti.

0 Kudos
Message 3 of 7
(3,055 Views)
Solution
Accepted by topic author duviky

HI, duviky

 

Apakah di PC anda terinstal Microsoft Office Excel? Jika anda menggunakan fungsi excel report generator, fungsi itu akan memanggil/menggunakan ActiveX dari aplikasi excel. Jika tidak ada ActiveX-nya, maka fungsi excel report generator tidak dapat digunakan.

Jika anda menggunakan aplikasi spreadsheet lain semisal wps office atau libre office, fungsi tetap tidak dapat dijalankan.

 

Saran saya (jika tetap ingin menggunakan report generator), ganti default software untuk membaca file *.xlsx menjadi Excel. Atau jika tidak bisa juga, uninstall wps dan memakai excell saja.

 

Saran saya lagi (jika ingin menggunakan teknik penyimpanan yang lain), ganti teknik penyimpanan ke penyimpanan TDMS. Lebih mudah, simple, lebih sedikit memory. Nantinya file tersebut dapat dibuka pada software sreadsheet.

 

Reza

https://haliatech.com/

0 Kudos
Message 4 of 7
(3,043 Views)

oh iya saya pakai wps spreadsheets.
Jadi harus excel ya ? oke oke saya coba dulu di komputer yang menggunakan excel

0 Kudos
Message 5 of 7
(3,040 Views)

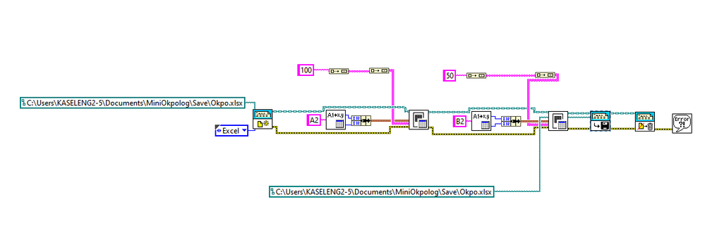
Saya Coba ini berhasil, tidak terjadi error. Silahkan dicheck.

 

Labview 2016

0 Kudos
Message 6 of 7
(3,033 Views)

iya, ini salah di excelnya saja. Saya pakai wps spreadsheet. Seharusnya Microsoft Excel

0 Kudos
Message 7 of 7
(2,996 Views)