Hi,
I'm trying to control a LCR6002. It has a RS232 port and I have achieved communication connecting it with a RS232/USB converter to the PC. So, the communication is VISA. Now I'm trying to set the communication via TCP/IP, with a RS232/ethernet converter, so it can fit in a cabinet with all the other stuff.
I don't know a lot about TCP/IP programming so it might be some terminator or configuration missing.
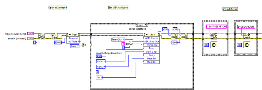
Here some code examples.


Thanks a lot,
Beñat