Example Code

Use FPGA Up Cast function to interact with different FPGA VIs

Products and Environment

This section reflects the products and operating system used to create the example.

To download NI software, including the products shown below, visit ni.com/downloads.

    Software

  • LabVIEW FPGA Module
  • LabVIEW

Code and Documents

Attachment

Overview

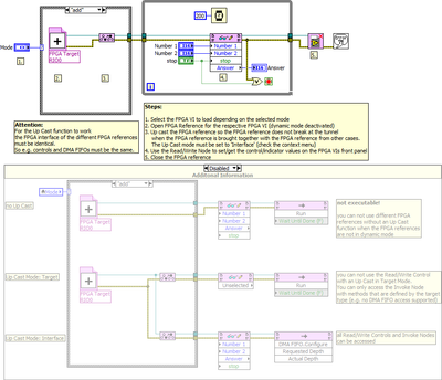
The example demonstrates how to use the Up Cast function to convert a FPGA VI-specific reference to a more generic reference.

 

Description

The LabVIEW FPGA Up Cast Function converts an FPGA VI-specific reference to a more generic reference. You then can use common code to interact with different FPGA VIs/bitfiles. The FPGA targets must be of the same class, so they have to have the same FPGA VI front panel controls and DMA FIFOs. You may want to use this function if you want to evaluate different algorithms in a host VI without rewriting the host VI. Some FPGA targets might not support this function.

The example demonstrates how to use the Up Cast function and shows the difference between the Target and Interface mode of the Up Cast function in a commented disable structure.

 

Requirements

 Software

  • LabVIEW 2012 Base Development System (or compatible)
  • LabVIEW 2012 FPGA Module (or compatible)

 Hardware

  • No hardware is necessary to use this example VI (in simulation mode)

 

Steps to Implement or Execute Code

  1. Open the attached file
  2. Select the mode to decide which FPGA VI will be loaded
  3. Run the VI 

 

Additional Information or References

Select FPGA VI dynamically with the Up Cast function - Front Panel.png

 

Select FPGA VI dynamically with the Up Cast function - Block Diagram.png

 

Knowledgebase: Simulate FPGA Hardware Targets Using the Project Explorer with LabVIEW
http://digital.ni.com/public.nsf/allkb/F466AD83D24F041D8625714900709583

 

**The code for this example has been edited to meet the new Community Example Style Guidelines. The edited copy is marked with the text 'NIVerified'. Read here for more information about the new Example Guidelines and Community Platform.**

Stephanie L
Applications Engineer
National Instruments UK and Ireland

Example code from the Example Code Exchange in the NI Community is licensed with the MIT license.