Example Code

RF Frequency Response of Filter

Products and Environment

This section reflects the products and operating system used to create the example.

To download NI software, including the products shown below, visit ni.com/downloads.

    Hardware

  • PXI|VXI
  • RF|Wireless

    Software

  • LabVIEW

    Driver

  • NI RF Device Drivers

Code and Documents

Attachment

Overview

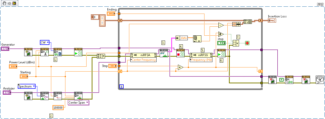
Coding that exemplifies how to perform a frequency response of filter.

 

Description

This simple VI is a powerful tool in quickly finding the frequency response of any chip, but is specifically designed for a simple filter. This example uses the RFSG and RFSA drivers.

 

Requirements

1. LabVIEW 2012 (or compatible)

2. NI RFSA 15.0.2 (or compatible)

3. NI RFSG 15.0.2 (or compatible)

 

Steps to Implement or Execute Code


1. Connect your filter between the Vector Signal Generator and the Vector Signal Analyzer.
2. Choose the VSG and VSA on the front panel.
3. Select the range of frequencies you want to test as well as the frequency step you want to take.
4. Run the VI.

 

Additional Information or References

Snippet.png

 

National Instruments
Applications Engineer

Example code from the Example Code Exchange in the NI Community is licensed with the MIT license.