To download NI software, including the products shown below, visit ni.com/downloads.
Overview
This example demonstrates how to generate multiple AM radio stations using NI Function Generators with Onboard Signal Processing (OSP).
Description
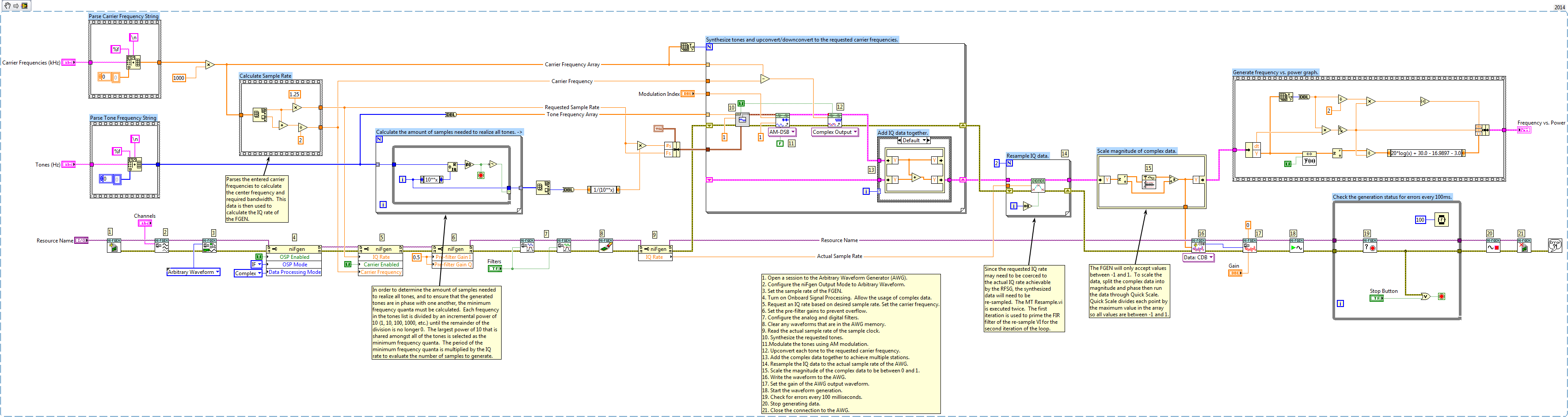
This example expands upon the Fgen OSP AM example in the NI-FGEN driver to broadcast multiple tones on multiple AM radio stations using NI Function Generators with OSP. The FGEN AM Multi-Station.vi attached uses the NI Modulation Toolkit to modulate and digitally up-convert and down-convert synthesized tones around a determined center frequency. All of the complex data is added together to achieve multiple radio stations. Calculations to generate a frequency vs. power graph of the transmitted data are also included.
Requirements
1. LabVIEW 2014 or later
2. NI-FGEN 14.0 or later
3. NI Modulation Toolkit for LabVIEW 2014 or later
* Note: If used with real hardware, we should verify that it supports Onboard Signal Processing.
Steps to Implement or Execute Code
1. Open the "FGEN AM Multi-Station LV2014 - NIVerified.vi"
2. Choose a valid FGEN resource on the front panel.
3. Enter the desired carrier frequencies, tones, modulation index, and gain. Tones must share the same line number with their respective carrier frequencies. Individual tones and carrier frequencies must be separated by a new line.
4. Run the VI.
5. Press the stop button when finished transmitting.
Additional Information or References

Example code from the Example Code Exchange in the NI Community is licensed with the MIT license.