Example Code

E3631A Power Supply GUI

Products and Environment

This section reflects the products and operating system used to create the example.

To download NI software, including the products shown below, visit ni.com/downloads.

    Hardware

  • Modular Instrumentation

Code and Documents

Attachment

Download All

Overview
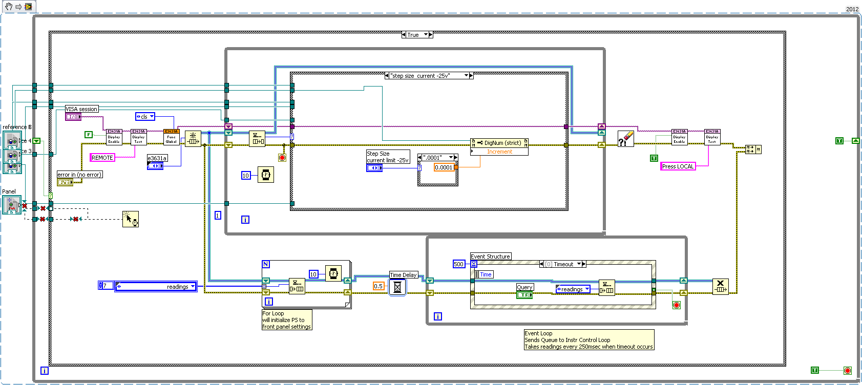
    E3631A Power Supply GUI.

Description
    An advantge of using the E3631A Power Supply GUI is that one can choose a step size to vary the voltage or current levels. You can step the voltage on the +6 Terminal as small as 500uv. Plus the current and voltage readback is much easier to read then just looking the front panel of the supply.

Requirements
    Software
        LabVIEW 2012(or compatible)
        NI-VISA 2012 

 

    Hardware

        E3631A

 

Additional Information or References

E3631A Power Supply.png 

 **This document has been updated to meet the current required format for the NI Code Exchange.**

 

 

 

 

Example code from the Example Code Exchange in the NI Community is licensed with the MIT license.