Discusiones sobre Productos NI

cancelar
Mostrando los resultados de 
Buscar en lugar de 
Quiere decir: 

Graficar varios plots a partir de un array variable.

Hola que tal, mi consulta es para saber si alguien pudiera orientarme para saber cómo puedo hacer para graficar varias señales en un gráfico XY. Básicamente se trata de un sistema que adquiere por puerto serie 3 variables: Presión (eje Y), Posición (eje X), y número de vuelta. Lo que debe hacer el sistema es graficar la presión y posición correspondiente, y que por cada vuelta cree un plot distinto, de modo de dibujar cada vuelta con un color distinto, y así también poder seleccionar entre ver 1 o varias de las gráficas. Espero haber sido claro y desde ya muchas gracias por sus consejos.

0 kudos
Mensaje 1 de 3
5.830 Vistas

Hola Carlos;

 

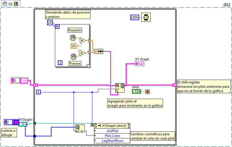
Para ocupar una gráfica XY es necesario tener en un cluster un arreglo con los datos de posición y otro arreglo con los datos de presión que quieres graficar. (esto es porque la gráfica relaciona ambos datos mediante el índice del arreglo).
Esta información está disponible si presionas Ctrl+H y seleccionas la gráfica XY

 

En el ejemplo de abajo yo estoy obteniendo un arreglo de 10 posiciones correspondientes a 10 presiones (mis datos son aleatorios) y los estoy colocando en un cluster.

 

Para mostrar varios plots dentro de una gráfica XY es necesario colocarlos en un arreglo, entonces para tener un plot diferente para cada iteración o vuelta de tu ciclo inicialicé un cluster vacío y fui agregando plot por plot dependiendo del número de vuelta... lo que resulta en un arreglo del cluster que tiene los datos de X y Y (osea un arreglo de un cluster de dos arreglos)

 

Adicionalmente coloqué un property node para cambiar el color de cada plot a dibujar

 

grafxy.png

 

Espero te sea útil

 

 

 

Saludos

0 kudos
Mensaje 2 de 3
5.613 Vistas

Primero que nada GRACIAS POR SU AYUDA. La verdad, estaba un poco perdido de cómo hacerlo. En mi caso, estaba utilizando un Express XY Graph. Investigando encontré que con ese gráfico (Express), sólo podía dibujarse un plot. Acabo de llegar de la Facultad, y justamente iba a empezar a probar otra forma, en el instante en que he recibido su respuesta. Nuevamente gracias, porque con esto se me aclara el panorama. Lo probaré y comentaré mi experiencia. Desde Mendoza, Argentina. Saludos y que tenga buenas tardes!!

0 kudos
Mensaje 3 de 3
5.610 Vistas