Counter/Timer

cancel
Showing results for 
Search instead for 
Did you mean: 

Using Counters with NI - cDAQ 9172

Hi,

 

I used to originally run a program with NI 6009 and used counters in LabView to measure vehicle velocity. I had 0-5 magnetic sensor connected to the PFIO terminal. I was essentially counting a falling edge and it worked fine in the NI 6009 module. But when I switched over to the NI 9206 (Fuel Cell) module having the same speed connected to the PFIO termainal I had problems using the counters. Does anybody have any suggestions as to how counters are to be used in the new cDAQ chassis. I found an article in the forums on how to go about selecting internal channels to show up the counters. But even after being able to select one I had no response on the program. Any ideas on waht could be tried to make the counters work?

 

I have also attached my program if that helps.

 

Thanks!

0 Kudos
Message 1 of 5
(6,263 Views)

Hi Rahul,

 

Which cDAQ chassis do you have?  In the 9172, you will have to have a DIO module in slot 5 or 6 to perform a counter measurement.  The 9206 does not have access to the cDAQ chassis counters and the PFI line in the 9206 would typically be used for triggering.  If you need to perform counter measurements, you should check out the 9401 to access the counters in the chassis.

Regards,
Jim Schwartz
Message 2 of 5
(6,246 Views)

Hi Jim,

 

I am using the NI-9172 cDAQ chassis. Would it be possible to configure the PF IO terminal in the 9206 module as an input to measure timed events if the module was connected to slot 5 or 6?

 

Thanks,

Rahul Patel

0 Kudos
Message 3 of 5
(6,229 Views)

Hi Rahul,

 

That isn't possible.  You have to use a DIO module to use the chassis counters.  Below is a link to the DIO modules for cDAQ.

 

DIO cDAQ Modules

Regards,
Jim Schwartz
0 Kudos
Message 4 of 5
(6,216 Views)

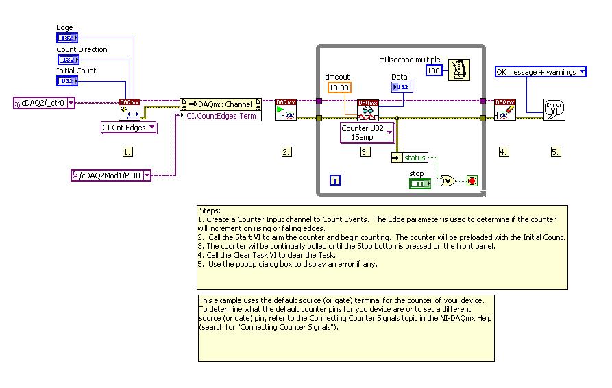
Hi Rahul,

 

I want to correct my previous statement.  I believe that the following example will show you how to perform a counter task with the 9205.

 

9205_count_edges.JPG

Regards,
Jim Schwartz
Message 5 of 5
(6,156 Views)