LabVIEW

cancel
Showing results for 
Search instead for 
Did you mean: 

I couldn't understand what this vi consists

Solved!
Go to solution

 

 

I tried to understand by reading reference article, but, I didn't understand. 

 

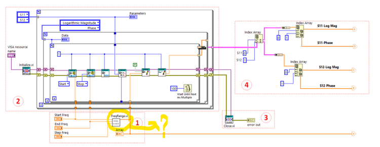
From Reference Article(doi:10.15199/48.2021.11.10): No. 1 shows the block diagrams of fixed-point data consisting of the start frequency, the end frequency, and the step frequency to set the frequency range and the number of working loops. The number of frequencies in the range and working loops were determined by subtracting the end frequency from the start frequency, then dividing the difference by the stepfrequency. All the frequencies were defined and kept in an array

 

 

 

Ekran görüntüsü 2023-05-18 140136.png

0 Kudos
Message 1 of 12
(2,191 Views)

So what exactly are you not understanding?  I didn't see a question in your post.



There are only two ways to tell somebody thanks: Kudos and Marked Solutions
Unofficial Forum Rules and Guidelines
"Not that we are sufficient in ourselves to claim anything as coming from us, but our sufficiency is from God" - 2 Corinthians 3:5
0 Kudos
Message 2 of 12
(2,182 Views)

I marked on the picture with yellow color question mark and circle

0 Kudos
Message 3 of 12
(2,153 Views)

I also don't understand.  You point to a subVI, then in your first post describe what the subVI does.  It generates an array of frequencies given a start, end, and step amount.

0 Kudos
Message 4 of 12
(2,147 Views)

I understand it but I don't design  What there are inside its as functions.

0 Kudos
Message 5 of 12
(2,122 Views)

OK, I looked at the article and I still don't understand your question. There are no fixed-point datatypes anywhere.

 

Obviously, the circled VI just creates frequency ramp (array of frequencies based on start, end, step), something that could be done equally well with the built-in ramp pattern.

 

Are you trying to recreate that code from scratch? I would focus more on the electrical engineering part because these authors don't seem to be experienced programmers and most of the code seems a bit questionable, even ugly. (just have a look at this unnecessary while loop with overlapping and right-to left wires). I probably would have cleaned that up slightly for publication. 😄

 

altenbach_0-1684418022433.png

Looks like a student project. Maybe you can contact the authors and ask for the VIs, (assuming you have the correct hardware). their email is on the last page at the bottom left of the article.

0 Kudos
Message 6 of 12
(2,112 Views)

Bro, you didn't understand me, but why. My question is easy. I circled subvi named by "Frequency Range". And It is explained in this sentence. 

 

"No. 1 shows
the block diagrams of fixed-point data consisting of the start
frequency, the end frequency, and the step frequency to set
the frequency range and the number of working loops. The
number of frequencies in the range and working loops were
determined by subtracting the end frequency from the start
frequency, then dividing the difference by the step
frequency. All the frequencies were defined and kept in an array" 

 

I am asking how I can design. What are there inside its? which functions should I use to design its interior? How can I make real the interior of this subvi? 

0 Kudos
Message 7 of 12
(2,070 Views)

@bahadirozan wrote:

I am asking how I can design. What are there inside its? which functions should I use to design its interior? How can I make real the interior of this subvi? 


Just use Ramp Pattern, already built into LabVIEW.



There are only two ways to tell somebody thanks: Kudos and Marked Solutions
Unofficial Forum Rules and Guidelines
"Not that we are sufficient in ourselves to claim anything as coming from us, but our sufficiency is from God" - 2 Corinthians 3:5
0 Kudos
Message 8 of 12
(2,065 Views)
Solution
Accepted by topic author bahadirozan

@bahadirozan wrote:

 am asking how I can design. What are there inside its? which functions should I use to design its interior? How can I make real the interior of this subvi? 


I already said "ramp pattern" does exactly that. (Look for the ramp by delta instance.)

 

Your diagram shows an orange wire and is thus floating point, Fixed-point dats is dark blue and is something else entirely. Of course you are only quoting the paper, which seems to have a general language problem. 😄

 

 

0 Kudos
Message 9 of 12
(2,047 Views)

Thanks Sir, I am absolute beginner for Labview. I am a student for electrical and electronics. I have two questions. I can't do those which is marked as blue. I found index arrey but, it has one indicator. there are two indicator on this index array.  Ekran görüntüsü 2023-05-18 140136.png

0 Kudos
Message 10 of 12
(2,046 Views)