11-21-2005 12:28 PM
11-21-2005 12:41 PM - edited 11-21-2005 12:41 PM

Message Edited by Ed Dickens on 11-21-2005 12:41 PM

Using the Abort button to stop your VI is like using a tree to stop your car. It works, but there may be consequences.11-21-2005 12:45 PM
11-21-2005 12:47 PM
11-21-2005 12:48 PM - edited 11-21-2005 12:48 PM
Message Edited by Plocmstart on 11-21-2005 12:49 PM
11-21-2005 12:57 PM - edited 11-21-2005 12:57 PM
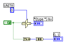
Instead of doing all that math, let Labview do it for you. Use the Boolean Array To Number function found in Boolean palette.
Message Edited by tbob on 11-21-2005 11:57 AM